ДИАГНОСТИКА СВОИМИ РУКАМИ
Если предохранитель цел, для проверки работоспособности вентилятора необходимо добраться к его разъему питания. Электродвигатель печки может находиться либо в салоне под панелью приборов, либо в подкапотном пространстве со стороны салона за моторным щитом. Информацию о том, где находится вентилятор отопителя и как к нему добраться, вы можете найти в руководстве по эксплуатации и ремонту вашего автомобиля. Там же вы найдете схему включения вентилятора.
Изучив схему, определите, на каком из пинов разъема, подходящего к электродвигателю, должен приходить «+» после включения первой скорости вентилятора. Вставьте в этот пин один из контактов контрольки, второй контакт замкните на «массу», включите зажигание и поверните переключатель вентилятора печки в любое из положений. Если лампочка контрольки загорелась, значит, проблема в электродвигателе. Если питание на разъем так и не пришло, необходимо искать обрыв проводки в цепи, идущей к включателю отопителя.
https://youtube.com/watch?v=kyQV-1cA9Sw
https://youtube.com/watch?v=SG-_Rd9m9m0
Замена щеток
Для замены щеток необходимо снять лопастное колесо с корпуса электродвигателя (обычно держится на защелках). Если вы не смогли подобрать щетки по каталогу автозапчастей, отпаяйте старые щетки и подберите похожие по размеру. При необходимости медно-графитовые щетки можно подпилить надфилем. Для пайки щеток вам потребуется паяльник, канифоль и немного припоя. Перед сборкой электродвигателя очистите внутренности от продуктов износа предыдущих щеток.
Если вентилятор, до того как перестал включаться, издавал писк либо излишний шум при работе, рекомендуем смазать втулки литолом. Положите небольшую порцию смазки на торец втулки и нагрейте ее, чтобы она затекла внутрь. Если вентилятор работал бесшумно, то смазывать втулки не рекомендуется вовсе. Смазка будет задерживать пыль, что со временем превратит ее в абразивную пасту.
Рекомендуем посмотреть видео, в котором довольно подробно показан процесс поиска неисправности вентилятора печки и замены щеток.
https://youtube.com/watch?v=FCHiSH1utXs
https://youtube.com/watch?v=tLff_DD8CTo
Работает только последняя скорость либо отсутствует одна из скоростей
Неисправность в добавочном резисторе. Режим максимальной скорости вращения имеет, что называется, прямое подключение, поэтому можно сделать вывод об исправности цепи управления и самого электродвигателя. Схема с добавочным резистором применяется на большинстве автомобилей. Но также скорость вращения электродвигателя отопителя может регулироваться ШИМ-сигналом.
Проверка резистора
Проверить добавочный резистор можно с помощью мультиметра. Для этого достаточно измерить сопротивление на выводах резистора и сравнить показания с эталонными значениями для вашего авто
Обратите внимание на термопредохранитель, который при коротком замыкании может перегореть, также нередки случаи отпаивания элемента вследствие чрезмерного нагрева резистора. Подобрать похожий резистор можно в магазине радиодеталей
На представленном ниже видео показан процесс обслуживания неразборного моторчика печки. Единственное, что мы не можем рекомендовать — избавляться от термопредохранителя!
https://youtube.com/watch?v=YAcnemZo8ds
Не работает автоматическое управление отопителем
Проблема может быть в контактах электрической цепи управления, датчике температуры воздуха в салоне, датчике положения воздушной заслонки либо в электронном блоке системы автоматического управления отопителем (САУ).
https://youtube.com/watch?v=xbeqziUZCEM
Датчики
Иногда печка дует холодным из-за неправильных показателей датчика температуры охлаждающей жидкости. Проще говоря, блок управления не получает актуальную информацию для автоматической регулировки климата в автомобиле. Решение в данном случае одно – полная замена.

Резистор отопителя Skoda Felicia
Ещё один повод беспокоиться — если стрелка датчика не реагирует на остывание мотора. В этом случае имеет место неполадка электрической цепи. Аналогично и при прогревании мотора – если стрелка задержалась в синей зоне, значит пора менять зажигание. Особенно когда при повторном запуске ситуация исправляется.
Электрическая схема автомобиля SKODA FELICIA
Электросхемы для легкового автомобиля Skoda Felicia. Все схемы в цветном виде и высоком качестве. Для бесплатного скачивания — кликните на схему. Представлены такие модули, как замок зажигания, коробка предохранителей, указатели поворота, аварийная сигнализация Шкода Фелиция, выключатель стояночных фонарей, фары, двигатель и т д. Вторую часть электрооборудования Шкода Фелиция смотрите здесь.
Электросхема управления двигателем Simс Skoda Felicia
1 — Батарея 5 — Выключатель зажигания 6 — Монтажный блок реле/ предохранителей а = реле топливного насоса 30 — l-зонд 31 — Катушка DIS 32 — Свечи зажигания 33 — Датчик Холла Skoda Felicia 34 — Э/м клапан угольного фильтра 36 — Топливный насос/датчик измерения расхода топлива 37 — Датчик детонации 38 — CTS 39 — ECU системы впрыска топлива 40 — Инжектор впрыска топлива 41 — Потенциометр дроссельной заслонки/датчик-выключатель/ потенциометр холостого хода 42 — Датчик IAT/МАР
Система управления двигателем Magneti-Marelli
1 — Батарея 5 — Выключатель зажигания 6 — Монтажный блок реле/предохранителей а = реле топливного насоса 80 — Топливный насос/датчик измерения расхода топлива 81 — Инжектор впрыска топлива 82 — Э/м клапан угольного фильтра 83 — Датчик детонации 84 — Датчик IAT/МАР 85 — Катушка зажигания 86 — Усилитель зажигания 87 — Датчик Холла 88 — Распределитель зажигания 89 — Свечи зажигания 90 — ECU системы впрыска топлива 91 — l-зонд Skoda Felicia 92 — CTS 93 — Потенциометр дроссельной заслонки/датчик-выключатель/потенциометр холостого хода
Система управления двигателем Mono-Motronic
1 — Батарея 5 — Выключатель зажигания 6 — Монтажный блок реле/предохранителей а = реле топливного насоса 60 — Топливный насос/датчик измерения расхода топлива 61 — Э/м клапан угольного фильтра 62 — Катушка зажигания 63 — Усилитель зажигания 64 — ECU системы впрыска топлива 65 — Датчик Холла 66 — Распределитель зажигания 67 — Свечи зажигания 68 — Датчик-выключатель холостого хода 69 — l-зонд 70 — Инжектор впрыска топлива/датчик температуры всасываемого воздуха 71 — CTS 72 — Потенциометр дроссельной заслонки 74 — Соединение иммобилизатора
Схема комбинации приборов Skoda Felicia
1 — Батарея Skoda Felicia 5 — Выключатель зажигания 6 — Монтажный блок реле/предохранителей 50 — Комбинация приборов а = контрольная лампа обогрева заднего стекла b = контрольная лампа генератора с = Контрольная лампа системы подушек безопасности d = контрольная лампа давления масла е = контрольная лампа стояночного тормоза f = контрольная лампа падения уровня тормозной жидкости g = контрольная лампа ABS h = цифровые часы i = контрольная лампа системы преднакала j = контрольная лампа ремней безопасности k = контрольная лампа прицепа l = контрольная лампа задних противотуманных фонарей m = контрольная лампа противотуманных фар n = указатель правого поворота о = контрольная лампа аварийной сигнализации р = указатель левого поворота q = контрольная лампа дальнего света r = контрольная лампа ближнего света s = контрольная лампа габаритных огней t = подсветка дисплея u = подсветка цифровых часов v = измеритель температуры охлаждающей жидкости w = стабилизатор напряжения х = счетчик оборотов (только модели GLX) y = измеритель запаса топлива z = лампа резерва топлива 51 — Датчик-выключатель уровня тормозной жидкости 52 — Датчик-выключатель стояночного тормоза 53 — Датчик-выключатель давления масла
Вентилятор отопителя и обогрев заднего стекла — электросхема
1 — Батарея 2 — Стартер 5 — Выключатель зажигания 6 — Монтажный блок реле/предохранителей с = реле контакта «Х” d = реле обогревателя заднего стекла 96 — Выключатель вентилятора отопителя 97 — Резисторы вентилятора отопителя 98 — Электромотор вентилятора отопителя 99 — Обогреватель заднего стекла 100 — Выключатель обогрева заднего стекла
Противотуманные фары и фонари Skoda Felicia
1 — Батарея 2 — Стартер Skoda Felicia 5 — Выключатель зажигания 6 — Монтажный блок реле/предохранителей с = реле контакта «Х” f = реле передних противотуманных фар g = реле задних противотуманных фонарей 111 — Выключатель передних противотуманных фар 112 — Выключатель задних противотуманных фонарей 113 — Правый задний противотуманный фонарь 114 — Левый задний противотуманный фонарь 115 — Правая передняя противотуманная фара 116 — Левая передняя противотуманная фара 117 — 3-контактный разъем
Кодовое обозначения цвета изоляции электропроводки Skoda Felicia:
Ws — Белый Sw — Черный Ro — Красный Br — Коричневый Gn — Зеленый Vi — Фиолетовый Bl — Синий Gr — Серый Li — Лиловый Ge — Желтый Or — Оранжевый
Источник
Шкода фелиция схема вентилятора охлаждения
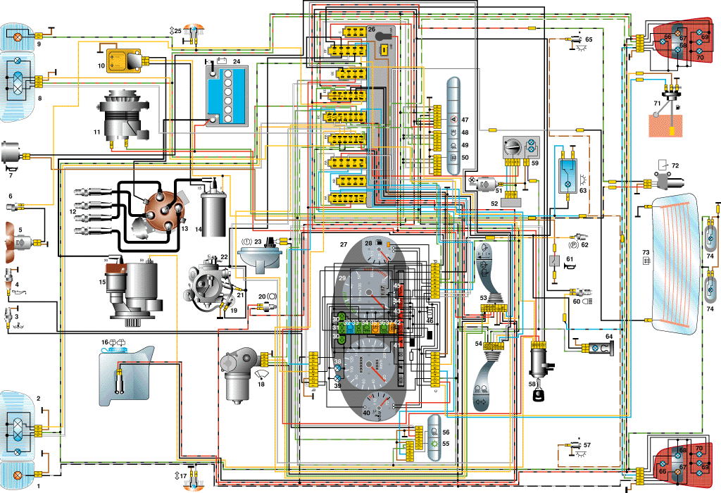
Схема электрооборудования автомобиля «Шкода-Фелиция LX» с карбюраторным двигателем 1,3 л

1 – левый указатель поворота; 2 – левая фара; 3 – датчик температуры охлаждающей жидкости; 4 – датчик аварийного давления масла; 5 – вентилятор системы охлаждения двигателя; 6 – термовыключатель вентилятора системы охлаждения; 7 – звуковой сигнал; 8 – правая фара; 9 – правый указатель поворота; 10 – коммутатор системы зажигания; 11 – генератор; 12 – свечи зажигания; 13 – датчик-распределитель зажигания; 14 – катушка зажигания; 15 – стартер; 16 – электродвигатель стеклоомывателей; 17 – левый боковой повторитель указателя поворота; 18 – электродвигатель стеклоочистителя ветрового стекла; 19 – пусковое устройство карбюратора; 20 – включатель стоп-сигналов; 21 – клапан ЭПХХ карбюратора; 22 – термостат карбюратора; 23 – датчик уровня тормозной жидкости; 24 – аккумуляторная батарея; 25 – правый боковой повторитель указателя поворота; 26 – блок реле и предохранителей; 27 – комбинация приборов; 28 – указатель уровня топлива; 29 – тахометр; 30 – сигнализатор включения указателя поворота; 31 – сигнализатор включения указателя поворота прицепа; 32 – сигнализатор включения дальнего света фар; 33 – сигнализатор включения габаритного освещения; 34 – сигнализатор включения передних противотуманных фар; 35 – сигнализатор включения задних противотуманных фонарей; 36 – сигнализатор включения ближнего света фар; 37 – сигнализатор включения обогрева заднего стекла; 38–39 – лампы освещения комбинации приборов; 40 – указатель температуры охлаждающей жидкости; 41 – сигнализатор включения аварийной сигнализации; 42 – сигнализатор падения уровня тормозной жидкости; 43 – сигнализатор отказа генератора; 44 – сигнализатор включения стояночного тормоза; 45 – сигнализатор аварийного давления масла; 46 – электронный стабилизатор напряжения; 47 – выключатель аварийной сигнализации; 48 – включатель задних противотуманных фонарей; 49 – включатель передних противотуманных фар; 50 – включатель обогрева заднего стекла; 51 – вентилятор системы отопления; 52 – блок дополнительных резисторов; 53 – правый подрулевой переключатель (управление стеклоочистителями и стеклоомывателем); 54 – левый подрулевой переключатель (управление светом фар и указателями поворота); 55 – включатель габаритного освещения; 56 – включатель ближнего света фар; 57 – включатель освещения салона в стойке левой двери; 58 – замок зажигания; 59 – переключатель режимов работы вентилятора системы отопления; 60 – включатель фар заднего хода; 61 – кнопка звукового сигнала; 62 – включатель сигнализатора стояночного тормоза; 63 – плафон освещения салона; 64 – штепсельная розетка с подсветкой; 65 – включатель освещения салона в стойке правой двери; 66 – лампа заднего противотуманного фонаря; 67 – лампа указателя поворота заднего фонаря; 68 – лампа фары заднего хода; 69 – лампы габаритного освещения в заднем фонаре; 70 – лампа стоп-сигнала; 71 – датчик уровня топлива в баке; 72 – электродвигатель стеклоочистителя заднего стекла; 73 – элемент обогрева заднего стекла; 74 – лампы подсветки номерного знака. Примечание. Цепи незадействованных в базовой комплектации сигнализаторов комбинации приборов и переключателей не указаны.
Схема внутренних соединений блока реле и предохранителей (разъемы условно повернуты на 90 о )
R1 – реле включения фар R3 – реле включения задних противотуманных фонарей R4 – реле включения обогрева заднего стекла R6 – реле звуковой сигнализации включения фар R7 – коммутационное реле R8 – реле аварийной сигнализации INT – реле стеклоочистителя и стеклоомывателя заднего стекла WW – реле автоматики стеклоочистителя ветрового стекла R2 – гнездо для установки реле включения передних противотуманных фар (не входят в базовую комплектацию) R5 – реле электрического топливного насоса (не входит в базовую комплектацию) Примечания: 1. Предохранитель S4 защищает цепь электрического топливного насоса и не устанавливается в базовой версии, поэтому его соединение с реле R5 не показано. Выводы гнезда этого реле соединены с контактами 9–12 разъема АА и шиной +12 В. 2. Предохранитель S5 защищает цепь противотуманных фар. Выводы соответствующего реле R2 соединены с контактами 9 разъема ВВ и 14 разъема ВС. 3. Схема электрооборудования составлена на основе официальной документации для машин, выпущенных с сентября 1994 г. по сентябрь 1995 г. По мере совершенствования автомобилей в нее вносили отдельные изменения.
Источник
Возможные неисправности
Печка у Felicia довольно сложная в плане устройства. А перечень возможных неприятностей может удивить. Почти каждая деталь – начиная от радиатора и заканчивая вентилятором — рискует выйти со строя. Разберём детальнее все проблемы. Опустим процесс снятия и установки деталей, о них пойдет речь в следующих статьях.
Радиатор
Наиболее уязвимая из всех деталь. Главная опасность – неправильный выбор антифриза или смешивание его с другими видами охлаждающей жидкости с нарушением правил от производителя. Эта ошибка приводит к отложениям на стенках радиатора. Категорически запрещено смешивать жидкость с тосолом. Нужно обязательно заливать зелёный антифриз, а вот машины выпуска двух последних лет предпочитают только красный цвет. Их смешивать нельзя!

Если такое произошло (например, таких рекомендаций не придерживался предыдущий владелец автомобиля или дали порулить жене), антифриз нужно немедленно слить, а радиатор промыть. В зависимости от тяжести ситуации, необходима проточная промывка. Тщательно прочистите зазоры между пластинами радиатора мягкой щеточкой.
Серьёзные неполадки, вроде разгерметизации, необходимо ремонтировать исключительно у специалистов. Самостоятельная обработка материалов приведёт в лучшем случае к разрушению радиатора, а в худшем – интоксикацией горе-мастера продуктами горения.
Термостат
Проверить исправность термостата поможет виселица. Прибор подвешивают на крепкой проволоке и окунают в воду. Её начинают греть. По мере роста температуры фиксируют время старта открытия его клапанов. Нормальная температура полного открытия 103 градуса по Цельсию. При любом отклонении от нормы нужен ремонт термостата.
Вентилятор
В первую очередь при отказе вентилятора необходимо проверить состояние предохранителей. У Skoda Felicia они находятся в поверхности приборной панели со стороны водителя. Если предохранитель исправен, на следующем этапе проверке подлежат резисторы переключения режимов работы. Если один из них сгорел, то при переводе режима вентилятор будет плохо работать именно в этом режиме.

Может помочь и соединение контактов датчика-выключателя печки. Если вентилятор не сработает при нормальном режиме, отсоедините электропроводку датчика-выключателя. Затем соедините контакты перемычкой и снова подключите, но уже через АКБ. Если вентилятор не запускается, вывод логичный – сломался этот самый датчик.
Если же и через батарею не удаётся активировать вентилятор, значит повреждён сам механизм. Очень хорошо, если удастся ограничиться лишь заменой электропроводки или чисткой вентилятора. Но причина может быть в физическом износе устройства. Тогда электровентилятор меняют на исправный.
Тема: Замнеа радиатора печки
Опции темы
Версия для печати
Поиск по теме
Отображение
- Линейный вид
- Комбинированный вид
- Древовидный вид
Замена радиатора печки
1. Снимаем перчаточный ящик, я думаю, что с этим проблем не возникнет ) 7.jpg 2. Снимаем напольную консоль, она состоит из двух частей: передняя, там где стоит кулиса, и задняя — ручник. Снимаем сначала заднюю часть, для этого вынимаем пепельницу, под ней два болт, откручиваем их.
Смещаем панель назад и видим крепление передней консоли,она крепится на 4 точки, два под пепельницей. Откручиваем и снимаем, смещая ее назад. Фото0074.jpg
3. Снимаем накладку панели приборов: она крепится 3 болтами, два над приборкой и один за шильдиком Oktavia. Открутили, поддели отверткой и сняли. 1.jpg2.jpg
4. Снимаем накладку над педалями
5. Снимаем подрулевую панель: открываем крышку с предохранителями и видим 2 болта креп. панели и блока предохран. откручиваем их и проталкиваем предохран. внутрь панели. Далее нужно снять переключатель фар, поддев его отверткой. После снятия нам откроется болт креп.панели, всего болтов 5. Сняли, действуем дальше )) 9.jpg8.jpg4.jpg
6 Снятие центральной панели:Для этого мы отверткой поддеваем декоративную накладку. И нам откроется крепление блока управления печкой. Откручиваем 4 болта и проталкиваем блок внутрь консоли.Далее откручиваем 2 болта креп. панели, всего их 7. 2.jpg1.jpg
Один из которых находится с обратной стороны прямо за иконкой. 3.jpg
Снимаем консоль, отсоединив провода. Магнитолу из консоли не вынимаем.
7. Вот мы и добрались до печки, снимается она в сборе с вентилятором, но это чуть позже, а сейчас: Надо отсоединить воздуховоды! Для этого мы откручиваем 2 болта воздуховода, который за магнитолой (подача воздуха в лицо). Будьте осторожны — крышка держится не только на них, но еще и на защелках за самой крышкой. Один внизу, его видно, а второй вверху. Заглядываем со стороны бардачка или нащупываем его рукой, аккуратно снимаем воздуховод )) 4.jpg
Далее надо снять воздуховод (подача в ноги), там все просто — отсоединяем и выводим в сторону.
8. Снятие печки. для этого переходим в моторный отсек и отсоединяем два шланга подачи антифриза к радиатору печки. Шланги желательно пережать во избежании потери дорогостоящей жидкости. Сама же печка держится на 3 болтах см. фото (для наглядности снял воздушный фильтр). 5.jpg
Выкручиваем их, и наша печка опускается на пол салона. Отключив от нее все провода, выводим ее в сторону перчаточного ящика (блок управления заслонками не отсоединяем!!), будьте аккуратны — она снимается )))
Ставим печку на стол. Радиатор держится на двух болтах, открутив которые, мы вынимаем его вверх (он плотно сидит в корпусе, поэтому можно поддеть его отверткой). МЕНЯЕМ РАДИАТОР. А менять ли самому решайте сами ))) ничего сложного в данной процедуре нет. Всем удачи ))) 6.jpg
В моторном отсеке откручиваешь клапан кондиционера, снимаешь его и все. Трубки отсоединены, не забудь стравить фреон
Не сдвигается! Пришлось после полной разборки верхней части нажимать на «язычок крепления» Не знаю как правильно назвать металлические детали соединяющие нижнею и верхнею части центральной консоли. После этого они сдвинулись и разъединились.
Машина всё время на ходу, поэтому разборку прекратил до полной ясности, (подключил приборы, завёлся).Теперь всё висит на проводах, завтра вечером продолжу.
Устранение свиста вентилятора печки на Шкода Октавия А5
Свист в печке может быть причиной серьёзной поломки, если не заняться её устранением на начальных стадиях. Приступив к устранению свиста на ранних стадиях, возможно обойтись малыми затратами времени и средств. Но свист может исходить не только от моторчика, поэтому обычная чистка не даст положительного результата. Для успешного ремонта необходимо провести диагностику всего отопителя, и только после этого приступать к исправлению поломки.

Диагностика
Если вентилятор печки автомобиля Шкода Октавия а5 издаёт характерный свист, возможно, потребуется ремонт. Залог успешного ремонта – качественно проведённая диагностика. Чем точнее будет выяснена причина неисправности, тем больше вероятности в положительном исходе всего ремонта. Для проведения данной диагностики нам не потребуется дорогостоящего оборудования и квалифицированных специалистов. Для проведения диагностики нужно:
- Включить моторчик печки в такое положение, в котором отчётливо слышен свист.
- После чего включить рециркуляцию воздуха.
- Если свист пропал, то пробуем увеличивать обороты до максимальных, если посторонних звуков не слышно, значит, двигатель здесь не при чём, а дело в заслонке.
- Если звук всё равно доносится, значит, его происхождение берёт своё начало от того, что свистит вентилятор.
Ремонт
После выявления причины неисправности легче произвести ремонт, поскольку не потребуется разбирать (а потом собирать) лишние узлы. Также это помогает нам понять, сможем, ли мы справиться своими силами, либо же необходима помощь специалистов.

Начнём с наиболее распространённого случая, это когда проблема поломки заключается в самом вентиляторе. Система устроена так, что воздух вначале проходит через крыльчатку, а потом через салонный фильтр. Вследствие этого на вентиляторе остаётся много пыли, что негативно сказывается на работе электродвигателя. Ремонт заключается в очистке и смазке моторчика, для этого:
- Снять боковую панель торпеды со стороны пассажира.
- Снять бардачок со стороны пассажира.
- Далее, необходимо демонтировать пластиковую крышку, закрывающую салонный фильтр, предварительно выкрутив винты крепления.
- Теперь мы имеем свободный доступ к моторчику. Для его демонтажа нужно оттянуть фиксатор вниз и провернуть сам мотор против часовой стрелки, после чего свободно достать его. На нём будет большое количество пыли, нужно принять меры, чтобы не испачкать ею салон.
- Остаётся только отсоединить клемму, и моторчик на свободе.
- Приступаем к чистке, для этого лучше использовать компрессор, но можно воспользоваться и щёткой. Главное, ничего не отломать и не повредить. Чтобы ничего не нарушить, нужно не повредить балансировочные грузики.
- После чистки приступаем к смазке. Смазываем все трущиеся поверхности, для этого подойдёт смазка на основе силикона.
- После чистки и смазки собираем всё в обратной последовательности.

Если же диагностика показала неисправность заслонки, то можно провести попутно и профилактику электродвигателя, описанную выше, поскольку для обеспечения доступа всё равно придётся снять бардачок. Времени это займёт немного, но это позволит продлить его работоспособность ещё на долгое время. Для ремонта заслонки необходимо произвести работы пунктов 1 – 3, описанные выше. Далее переходим к следующим действиям:
- Затем нам нужно добраться до заслонки рециркуляции воздуха, она находится под моторчиком. Открыть её и удалить всю пыль с уплотнительных резинок.
- После чего смазать резинку смазкой на основе силикона. Также обильно смазать места крепления затворки к печке.
- Проверяем не собирая. Если свист продолжается, то нужно найти щель между заслонкой и корпусом. Сделать это можно, поднеся руку, или кусочком бумаги либо скотча. После того как щель найдена, её необходимо уплотнить, чтобы избежать «просачивания» воздуха сквозь щель.
- Далее, необходимо адаптировать заслонки, а точнее концевые выключатели, чтобы закрытие заслонок было плотным. Для этого одновременно нажимаем на панели управления отопителем кнопки «обдув на грудь» и «включение кондиционера», после чего они начинают поочерёдно мигать. Адаптация проходит в автоматическом режиме секунд 20, пока мигают клавиши.
- Проверяем и собираем всё в обратной последовательности.

Вот такими несложными способами можно произвести диагностику и успешно выполнить ремонт, даже не имея большого количества опыта в подобных работах. После чего наслаждаться бесшумной работой печки в любом положении заслонки. А смазанные и чистые детали служат намного дольше и реже выходят из строя.
Возможные неисправности
Печка у Felicia довольно сложная в плане устройства. А перечень возможных неприятностей может удивить. Почти каждая деталь – начиная от радиатора и заканчивая вентилятором — рискует выйти со строя. Разберём детальнее все проблемы. Опустим процесс снятия и установки деталей, о них пойдет речь в следующих статьях.
Радиатор
Наиболее уязвимая из всех деталь. Главная опасность – неправильный выбор антифриза или смешивание его с другими видами охлаждающей жидкости с нарушением правил от производителя. Эта ошибка приводит к отложениям на стенках радиатора. Категорически запрещено смешивать жидкость с тосолом. Нужно обязательно заливать зелёный антифриз, а вот машины выпуска двух последних лет предпочитают только красный цвет. Их смешивать нельзя!

Радиатор отопителя Skoda Felicia
Если такое произошло (например, таких рекомендаций не придерживался предыдущий владелец автомобиля или дали порулить жене), антифриз нужно немедленно слить, а радиатор промыть. В зависимости от тяжести ситуации, необходима проточная промывка. Тщательно прочистите зазоры между пластинами радиатора мягкой щеточкой.
Серьёзные неполадки, вроде разгерметизации, необходимо ремонтировать исключительно у специалистов. Самостоятельная обработка материалов приведёт в лучшем случае к разрушению радиатора, а в худшем – интоксикацией горе-мастера продуктами горения.
Термостат
Проверить исправность термостата поможет виселица. Прибор подвешивают на крепкой проволоке и окунают в воду. Её начинают греть. По мере роста температуры фиксируют время старта открытия его клапанов. Нормальная температура полного открытия 103 градуса по Цельсию. При любом отклонении от нормы нужен ремонт термостата.
Вентилятор
В первую очередь при отказе вентилятора необходимо проверить состояние предохранителей. У Skoda Felicia они находятся в поверхности приборной панели со стороны водителя. Если предохранитель исправен, на следующем этапе проверке подлежат резисторы переключения режимов работы. Если один из них сгорел, то при переводе режима вентилятор будет плохо работать именно в этом режиме.

Мотор печки
Может помочь и соединение контактов датчика-выключателя печки. Если вентилятор не сработает при нормальном режиме, отсоедините электропроводку датчика-выключателя. Затем соедините контакты перемычкой и снова подключите, но уже через АКБ. Если вентилятор не запускается, вывод логичный – сломался этот самый датчик.
Если же и через батарею не удаётся активировать вентилятор, значит повреждён сам механизм. Очень хорошо, если удастся ограничиться лишь заменой электропроводки или чисткой вентилятора. Но причина может быть в физическом износе устройства. Тогда электровентилятор меняют на исправный.
Завершение
Вот и все неисправности печки Skoda Felicia. Надеемся, наши советы были для вас полезными. Но к теме чешского автопрома мы вернёмся ещё не раз. Следите за обновлениями.
Снимаем радиатор печки skoda Felicia part 2
https://youtube.com/watch?v=IVeN9yGdKYw
Разборка печки skoda Felicia 1 part
https://youtube.com/watch?v=Wqw1-2mTMH0
Skoda Felicia 1.6 AEE как заменить радиатор печки без проблем
https://youtube.com/watch?v=OaT1J2nMKWg
Снятие приборной панели на Шкода Фелиция
https://youtube.com/watch?v=fQGimg1Wx80
Замена радиатора печки шкода суперб
https://youtube.com/watch?v=xgnhrT0gQWA
Чистка радиатора печки Шкода Фабия Skoda Fabia.
https://youtube.com/watch?v=Zp6KhZWXfqg
Как заменить помпу Шкода Фелиция (система охлаждения)
https://youtube.com/watch?v=iSNTKD1kd2c
Шкода Фелиция пробитая прокладка ГБЦ
https://youtube.com/watch?v=LEtYkMoJ0g4
Аккумулятор на Шкода Фелиция 61Ач
https://youtube.com/watch?v=4fv2iwY7Wi4
Сгорела проводка Skoda Felicia (Шкода Фелиция)
https://youtube.com/watch?v=EWZBpYoMak0
Руководства на все автомобили
1. Автомобили марки Skoda Felicia
2. Инструкция по эксплуатации
3. Текущее обслуживание
4. Ремонт двигателя
5. Системы охлаждения, отопления
6. Система питания
7. Электрооборудование двигателя
8. Сцепление
9. Коробка передач
10. Приводные валы
11. Тормозная система
12. Подвеска и рулевое управление
13. Кузов и отделка салона
14
Бортовое электрооборудование
14.0 Бортовое электрооборудование
14.1 Общая информация и меры предосторожности
14.2 Поиск причин отказов электрооборудования
14.3 Предохранители, реле и прерыватели — общая информация
14.4 Снятие и установка выключателей
14.5 Замена ламп наружных осветительных и сигнальных приборов
14.6 Замена ламп внутренних осветительных приборов
14.7 Снятие и установка сборок наружных осветительных и сигнальных приборов
14.8 Регулировка направления оптической оси головных фар — общая информация и замена механизма регулятора
14.9 Снятие и установка приборного щитка
14.10 Снятие и установка троса привода спидометра
14.11 Снятие и установка прикуривателя
14.12 Снятие и установка рожка клаксона
14.13 Снятие и установка рычагов стеклоочистителей
14.14 Снятие и установка электромотора и тяг привода очистителей ветрового стекла
14.15 Снятие и установка электромотора привода очистителя заднего стекла
14.16 Снятие и установка компонентов омывателей ветрового стекла/линз головных фар/заднего стекла
14.17 Снятие и установка автомагнитолы
14.18 Снятие и установка громкоговорителей
14.19 Снятие и установка антенны радиоприемника
14.20 Противоугонная сигнализация/система иммобилизации двигателя
14.21 Снятие и установка компонентов системы обогрева передних сидений
14.22 Подушка безопасности — общая информация, меры предосторожности и деактивация системы
14.23 Снятие и установка компонентов системы подушек безопасности
14.24. Схемы электрических соединений
14.24.1 Схемы электрических соединений
14.24.2 Система управления двигателем Simс
14.24.3 Система управления двигателем Magneti-Marelli
14.24.4 Система управления двигателем Mono-Motronic (с ноября 1995 г.)
14.24.5 Комбинация приборов
14.24.6 Вентилятор отопителя и обогрев заднего стекла
14.24.7 Противотуманные фары/фонари
14.24.8 Габаритные огни, задние комбинированные фонари, подсветка номерного знака, освещение багажного отделения и головные фары
14.24.9 Стоп-сигналы, огни заднего хода, освещение салона, прикуриватель, контрольной лампы указателей поворотов и аварийной сигнализации
14.24.10 Клаксон, очистители/омыватели ветрового и заднего стекол
14.24.11 ABS (модели с марта 1995 г.)
14.24.12 Магнитола, единый замок и очистители/омыватели линз головных фар
14.24.13 Системы запуска, заряда и управления дизельного двигателя
14.25 Диагностика электронных систем управления двигателем и систем обеспечения безопасности
15
Контрольные кузовные размеры
16. Особенности ПДД стран Европы Ссылки на другие сайты


























































