Skoda Felicia: Комбинация приборов
Skoda Felicia / Руководство по эксплуатации, техническому обслуживанию и ремонту автомобиля Skoda Felicia / Схемы электрических соединений / Комбинация приборов

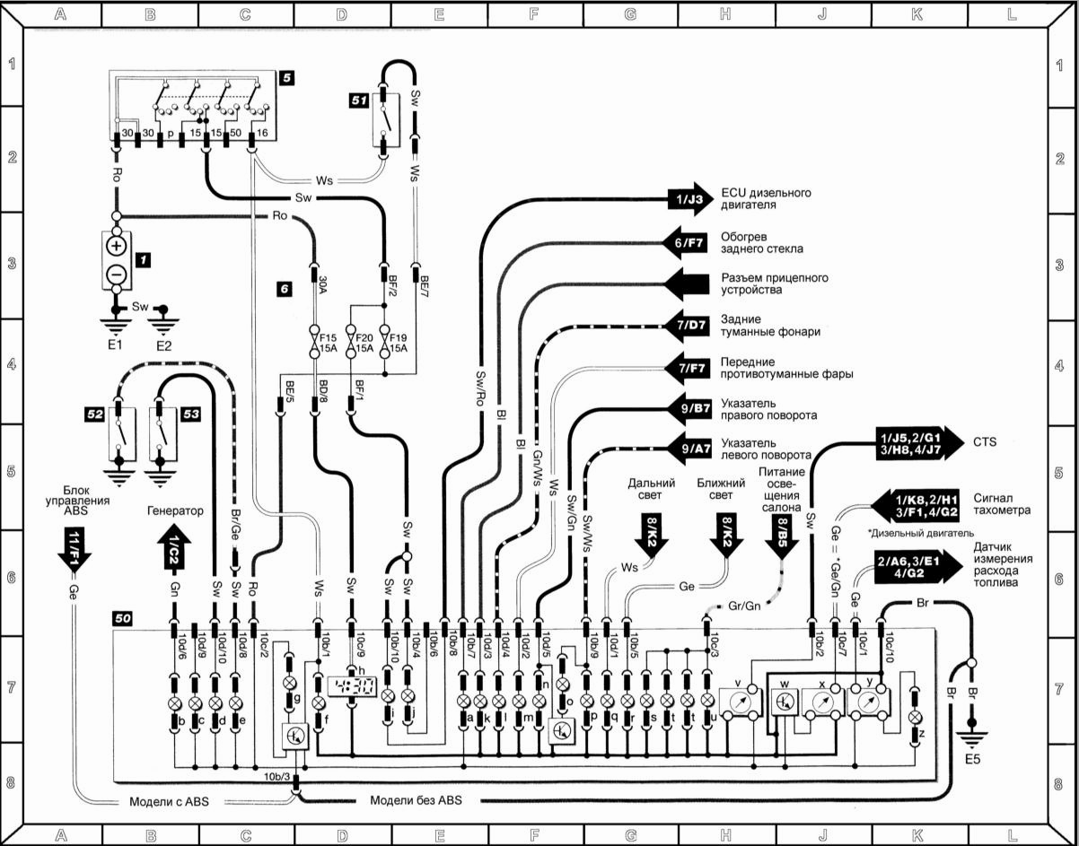
Комбинация приборов
Обозначение компонентов 1 — Батарея 5 — Выключатель зажигания 6 — Монтажный
блок реле/предохранителей 50 — Комбинация приборов а = контрольная лампа обогрева
заднего стекла b = контрольная лампа генератора с = Контрольная лампа системы подушек
безопасности d = контрольная лампа давления масла е = контрольная лампа стояночного
тормоза f = контрольная лампа падения уровня тормозной жидкости g = контрольная
лампа ABS h = цифровые часы i = контрольная лампа системы преднакала j = контрольная
лампа ремней безопасности k = контрольная лампа прицепа l = контрольная лампа задних
противотуманных фонарей m = контрольная лампа противотуманных фар n = указатель
правого поворота о = контрольная лампа аварийной сигнализации р = указатель левого
поворота q = контрольная лампа дальнего света r = контрольная лампа ближнего света
s = контрольная лампа габаритных огней t = подсветка дисплея u = подсветка цифровых
часов v = измеритель температуры охлаждающей жидкости w = стабилизатор напряжения
х = счетчик оборотов (только модели GLX) y = измеритель запаса топлива z = лампа
резерва топлива 51 — Датчик-выключатель уровня тормозной жидкости 52 — Датчик-выключатель
стояночного тормоза 53 — Датчик-выключатель давления масла
Система управления двигателем Mono-Motronic (с ноября 1995 г.)
Система управления двигателем Mono-Motronic (с ноября 1995 г.)
Обозначение компонентов 1 — Батарея 5 — Выключатель зажигания 6 — Монтажный
блок реле/предохранителей а = реле топливного насоса 60 …
Вентилятор отопителя и обогрев заднего стекла
Вентилятор отопителя и обогрев заднего стекла
Обозначение компонентов 1 — Батарея 2 — Стартер 5 — Выключатель зажигания
6 — Монтажный блок реле/предохранителей с = реле контакта “Х” d = реле обог …
Другое на сайте:
Проверка состояния защитного чехла
ПОРЯДОК ВЫПОЛНЕНИЯ
Проверьте защитные чехлы на приводном валу на отсутствие трещин, повреждений,
утечек смазки или ослабленных хомутов крепления чехла. При наличии любых
повреждений замените за …
Помехи приему радиопередачи
На качество радиоприема влияет мощность сигнала передающей радиостанции, удаленность
от радиостанции, наличие зданий, мостов, гор и т.д.
Качество приема также зависит от различных внешних факторов. …
Проверка рулевого управление без гидравлического усилителя
ОБЩИЕ СВЕДЕНИЯ
Установите передние колеса для прямолинейного движения, мягко поверните
рулевое колесо влево и вправо до появления ощутимого сопротивления и измерьте
люфт рулевой передачи.
Люфт …








































