Что дает преобразователь?
Необходимость использования регулятора оборотов электродвигателя в случае асинхронных моделей состоит в следующем:
Достигается значительная экономия электрической энергии. Поскольку не всякое оборудование требует высоких скоростей вращения моторного вала, ее имеет смысл снизить на четверть.

Обеспечивается надежная защита всех механизмов. Преобразователь частоты позволяет контролировать не только температуру, но и давление и прочие параметры системы. Этот факт особенно важен, если при помощи двигателя приводится в действие насос.


Снижаются расходы на техническое обслуживание, поскольку регулятор сводит к минимуму риски поломки привода и других механизмов.
-
Перемотка электродвигателей: пошаговая инструкция по ремонту и восстановлению обмотки двигателя своими руками (инструкция с фото и видео)
-
Схема электродвигателя — способы подключения и запуска двигателя. Обзор типовых конфигураций и принципа работы
-
Электродвигатель своими руками: инструкция по сборке самодельного механизма. Возможные модификации и простейшие модели

Таким образом электродвигатели с регулятором оборотов оказываются надежными устройствами с широкой сферой применения.

Важно помнить, что эксплуатация любого оборудования на основе электрического мотора только тогда окажется правильной и безопасной, когда параметр частоты вращения будет адекватен условиям использования

Как проверить обороты двигателя мультиметром видео
Скачать/Распечатать тему Скачивание темы в различных форматах или просмотр версии для печати этой темы.
В этот раз расскажем, как и зачем перед покупкой нужно проверить авто мультиметром. Методами можно пользоваться прямо при встрече с продавцом и осмотре автомобиля. Чтобы дело шло быстрее, потренируйтесь накануне на машине друга или знакомого.

Прежде всего, мультиметр нужен затем, чтобы вовремя заметить утечку тока на машине. Из-за нее двигатель может работать неровно, выбросы станут более пахучими. Проводка может замкнуть, что выведет из строя магнитолу, электронный блок управления и другие приборы. Или железный конь просто не заведется.
Электродвигатели в составе мотор-редукторов.
Электрические двигатели уже давно стали включаться в состав различных мотор-редукторов. Они находят свое применение как в трёхступенчатых типа МЦ3У. так и в двухступенчатых типа МЦ2У. Электромоторы имеют практически 90%-ный коэффициент полезного действия, не требуют постоянного обслуживания. Немаловажным параметром является и исключительная экологичность электрического мотора, вредные выхлопы отсутствуют вовсе, что делает его незаменимым при установке внутри помещения. Словом, в настоящее время электромоторы признаны в 3, а то и в 4 раза эффективнее традиционных двигателей внутреннего сгорания.
Но иногда, в случае выхода из строя электродвигателя, покупатель узнает, что абсолютно никакой сопроводительной документации к нему не прилагается. Маркировочные шильды, если и сохранились, могут находиться в изношенном потертом состоянии, так, что ничего на них рассмотреть попросту бывает невозможно. Как же в таком случае можно определить мощность двигателя и число его оборотов? Здесь поэтапно будут приведены советы, которые помогут это сделать.
Следует иметь в виду, что под числом оборотов подразумевается так называемая асинхронная скорость. Синхронная скорость это скорость вращения магнитного поля. Асинхронная скорость несколько ниже синхронной из-за наличия массы у вращательного элемента, а также воздействия сил трения, которые могут значительно понизить КПД мотора. Впрочем, на практике эти различия практически никогда не имеет решающего значения.
Сейчас на рынке представлено 3 основные категории асинхронных электродвигателей. Первая категория каталога – моторы, работающие при 1000 оборотах. На практике это число составляет порядка 950-970 оборотов, но для наглядности все-таки округляют до тысячи. Вторая категория моторы, выдающие 1500 об/мин. Это также округлено, так как в действительности диапазон лежит в пределах 1430-1470. Третья 3000 оборотов в минуту. Хотя реально такой мотор выдает 2900-2970 вращений.
Функции и комплектация автомобильного тестера
Современные цифровые мультиметры позволяют измерять большинство параметров электрической сети автомобиля:
Также мультиметр можно использовать и в качестве простого тестера для различных видов проверок:
Все измерения можно проводить только при наличии определенных датчиков или щупов, которые идут в комплекте с прибором:
В целом, мультиметр — это универсальный прибор, который заменяет собой множество других приборов, позволяет проводить несложную диагностику электрической системы автомобиля и выявлять неисправности без посещения автосервиса.
Трудно найти ребенка, которому не нравились бы активные игры на улице, и каждый ребенок с самого мечтает об одной вещи — велосипеде. Выбор детских велосипедов — ответственная задача, от решения которой зависит радость и здоровье ребенка. Типы, особенности и выбор детского велосипеда — тема этой статьи.
Теплое время года, особенно весна и лето — это сезон велосипедов, прогулок на природе и семейного отдыха. Но велосипед будет комфортным и принесет удовольствие только в том случае, если он подобран правильно. О выборе и особенностях покупки велосипеда для взрослых (мужчин и женщин) читайте в статье.
Шведский инструмент Husqvarna известен во всем мире, он является символом настоящего качества и надежности. Среди прочего под этим брендом выпускаются и бензопилы — все о пилах Husqvarna, их актуальном модельном ряду, особенностях и характеристиках, а также о вопросе выбора читайте в данной статье.
Отопители и предпусковые подогреватели немецкой компании Eberspächer — известные во всем мире устройства, повышающие комфорт и безопасность зимней эксплуатации техники. О продукции данного бренда, ее типах и основных характеристиках, а также о подборе отопителей и подогревателей — читайте в статье.
Многие взрослые не любят зиму, считая ее холодным, депрессивным временем года. Однако дети совсем другого мнения. Для них зима — это возможность поваляться в снегу, покататься на горках, т.е. весело провести время. И одним из лучших помощников для детей в их нескучном времяпровождении — это, например, всевозможные санки. Ассортимент рынка детских санок очень обширен. Рассмотрим некоторые виды из них.
Итак господа паразитчики
Имеется мотик МТ-10-36 Одиночнка В родне
На рынке за 15 у е был прикуплен мультиметр с возможностью измерения частоты вращения правда в пределах 2 – 20 кГц
В ходе размышлений и лазания по веткам форума а еще по причине природного медвежъего уха было решено регулировать карбюраторы при помощи тестера
Вчера пришел в гараж Завел мотик Надо сказать завелся с первого кика хотя всю зиму простоял Погрел двигатель покатался немного по гаражам
Потом решил посмотреть обороты при помощи тестера Подключил один провод к массе а второй к низковольтному проводу катушки зажигания который идет от прерывателя
В результате на холостых оборотах получил 0,120-0,100 при положении ручки мультиметра 2 кГц
Получается что бегунок вращается с частотой 100-120 Гц Теперь возникла следующая задача
Гугл выдал : об/мин = Гц * 60
Какой то странный результат
ЭЭЭэээ мож я немного не в себе.. а при чем здеся карбюраторы? допустим ты отрегулируеш Х.Х. а как же синхронность карбов. с помощью мультиметра
многовато 100 Гц на холостых. это значит 100 импульсов в секунду, или 6000 в минуту. один импульс- эта одна рабочая искра, а значит один оборот КВ. ты правильно всё посчитал. возможно ошибку вносит дребезг контактов прерывателя
» – она вроде предназначена для зависимости работы реле от частоты вращения генеретора (криво конечно выразился). Обороты, конечно, будут совсем другие, но может, тогда хоть они будут изменяться нормально и независимо от зажигания.
Столкнулся с той же проблемой, мне сказали, что такой разброс показаний (в моем случае от 5Гц до 1,5кГц) возможен из-за чувствительности входа прибора и посоветовали загрубить его с помощью резистора
100Гц это 100 импульсов в секунду. Один оборот колена – одна искра. Маловато, разве что для судового дизеля нормально.
Способы определения характеристик электромотора.
Чтобы определить, к какой из этих групп относится двигатель, не нужно разбирать его, как это советуют некоторые специалисты, чтобы обеспечить себе заказ на работу. Дело в том, что разбор электродвигателя может осуществить только мастер достаточной квалификации. На самом же деле достаточно открыть защитную крышку (другое название подшипниковый щит) и найти катушку обмотки. Таких катушек может быть несколько, но достаточно одной. В случае если к валу прикреплены полумуфта или шкив, потребуется снять еще и нижний щит.
Если катушки соединены при помощи деталей, которые мешают рассмотреть информацию, эти детали ни в коем случае нельзя отсоединять. Нужно попробовать определить на глаз соотношение размера катушки и статора.
Статором называется неподвижная часть электромотора, подвижная же имеет название ротор. В зависимости от конструктивных особенностей, в качестве ротора может выступать как сама катушка, так и магниты.
Если катушка закрывает собой половину кольца статора, такой двигатель относится к третьей группе, то есть способен выдавать до 3000 оборотов. Если размер катушки составляет треть от размеров кольца, это мотор второго типа, соответственно, он способен развить 1500 оборотов в минуту. Наконец, если катушка только на четверть закрывает собой кольцо, это первый тип. Электромотор развивает мощность в 1000 оборотов.
Существует еще один способ определения частоты вращения вала роторной части. Для этого также нужно снять крышку и найти верхнюю часть обмотки. По расположению секций обмотки и определяется скорость. Обычно внешняя секция занимает 12 пазов. Если сосчитать общее количество пазов и разделить на 12, можно получить число полюсов. Если число полюсов равно 2, двигатель имеет скорость вращения около 3000 об/мин. Если полюсов получилось 4, это соответствует 1500 оборотам в минуту. Если 6, то 1000 об/мин. Если 8, то 700 оборотов.
Третий способ определения количества оборотов внимательно осмотреть бирку на самом двигателе. Цифра на маркировке в конце и соответствует числу полюсов. Например, для маркировки АИР160S6 последняя цифра 6 указывает, сколько полюсов использует катушка.
Проще же всего измерить число оборотов специальным прибором тахометром. Но в силу узкой специализации применения данный способ нельзя рассматривать как общедоступный. Таким образом, даже если не сохранилось никакой технической документации, существует как минимум 4 способа определить число оборотов электрического мотора.
Как узнать мощность мотор-колеса
Чтобы выполнить приблизительный расчет мощности мотор-колеса, нужно:
- Измерить ток при помощи последовательно включаемых в цепь амперметров. В данном случае амперметр подсоединяется в разрыв цепи между аккумуляторной батареей и контроллером.
- Измерить напряжение АКБ. Вольтметр подсоединяется параллельно исследуемому участку цепи.
- Вычислить произведение измеренных значений тока и напряжения, т.е. потребляемую мощность.
- Умножить полученное значение на КПД электромотора – получим величину мощности на валу МК. КПД электромотора указывается производителем в документации и в среднем составляет 80–90% (при умножении – коэффициент 0,8–0,9).
Параметры электродвигателя №1: мощность
В паспортных данных указывается номинальная активная мощность, потребляемая из сети при номинальной нагрузке на валу. Для производства измерений нужно нагрузить электродвигатель, испытывая его со штатной нагрузкой (в составе устройства, для привода которого он предназначен).
Для измерений можно использовать электросчетчик. Для этого нужно подключить электродвигатель в качестве единственной нагрузки на счетчик на время, засекаемое по секундомеру.
Для удобства расчетов двигатель подключается на время, равное 10 минутам. До подключения и через 10 минут со счетчика снимаются показания. Разность показаний в кВт∙ч, поделенная на 60/10=6, и будет равна мощности электродвигателя в киловаттах.
Сопротивление — изоляция — электродвигатель
Сопротивление изоляции электродвигателей и кабелей также должно периодически измеряться и удовлетворять нормам. Изоляция обмоток статоров должна испытываться на пробой переменным напряжением 1 000 в при номинальном напряжении электродвигателя 380 б и 1 500 в при номинальном напряжении 500 а. Электрическая прочность изо-ляции обмоток роторов и реостатов должна проверяться напряжением, равным полуторному номинальному напряжению переменного тока на кольцах электродвигателя, но не ниже 1 000 в. Длительность испытания во всех случаях 1 мин.
Сопротивление изоляции электродвигателя , измеренное между крепящими болтами и валом, а также между обмотками двигателя должно быть не менее 5 Мом.
Сопротивление изоляции электродвигателей напряжением 3000 в и выше должно быть не ниже 1 Мам для обмоток статоров и 0 2 Мом для обмоток роторов. Помимо этого, измеряется коэффициент абсорбции, величина которого не нормируется. С помощью этого коэффициента определяются состояние изоляции и степень увлажненности обмоток двигателя.
Сопротивление изоляции электродвигателей напряжением 3000 в и выше должно быть не ниже 1 Мом для обмоток статоров и 0 2 Мом для обмоток роторов. Помимо этого, измеряется коэффициент абсорбции, величина которого не нормируется. С помощью этого коэффициента определяются состояние изоляции и степень увлажненности обмоток двигателя.
Сопротивление изоляции электродвигателей с напряжением до 500 в должно быть не ниже 0 5 мом у статорных обмоток и 0 2 мом у роторных как по отношению к корпусу, так и между фазами.
Сопротивление изоляции электродвигателей напряжением до 1000 в должно быть не ниже 0 5 Мом.
Сопротивление изоляции электродвигателя должно быть не менее i ком на 1 в рабочего напряжения. Коэффициент абсорбции берется из отношения значений сопротивления изоляции при различной длительности приложения напряжения.
Сопротивление изоляции электродвигателей переменного тока до 1000 В проверяют мегаомметром на напряжение 1000 В. При этом измеряют сопротивление изоляции обмоток фаз статора относительно друг друга ( если выведены начала и концы обмоток всех трех фаз) и относительно корпуса. Если выведены только три конца обмотки статора, то сопротивление изоляции измеряют лишь относительно корпуса. У двигателей с фазным ротором производят также измерение сопротивления изоляции обмоток ротора на корпус и между обмотками статора и ротора. Величина сопротивления изоляции для электродвигателей до 1000 В Правилами не нормируется.
Испытывают сопротивление изоляции электродвигателя и при необходимости просушивают его.
Измерение сопротивления изоляции электродвигателя напряжением до 1000 в производится мегомметром на напряжение 1000 в после текущего и среднего ремонта, при этом сопротивление должно быть не ниже 0 5 ом. В случае резкого снижения сопротивления изоляции по сравнению с предыдущими замерами, необходимо выяснить причину и принять меры к его восстановлению.
Величина сопротивления изоляции электродвигателей не нормируется. Сопротивление изоляции каждой цепи автоматики и вторичной коммутации должно быть не ниже 1 Мом.
Величина сопротивления изоляции электродвигателей не нормируется.
Величипа сопротивления изоляции электродвигателей напряжением до 500 в не нормируется. Для двигателей напряжением 3000 в и выше сопротивление изоляции статора должно быть не менее 1 мегома, а ротора — 0 2 мегома.
При таких условиях сопротивление изоляции электродвигателей , кабелей, нагревателей компенсаторов объема и другого электротехнического оборудования снизится ниже разрешенного по техническим условиям из-за попадания влаги, поэтому после окончания дезактивации или срабатывания спринклерной установки необходимо измерять сопротивление изоляции указанного оборудования и кабелей.
Систематически должно проверяться сопротивление изоляции электродвигателей . Сопротивление изоляции при температуре 60 С должно быть: для статора — не менее 1 МОм / кВ, для ротора — не менее 0 5 МОм. Объем чистого воздуха, используемого для предварительной продувки должен быть не менее пятикратного суммарного объема корпуса электродвигателя, воздуховодов и фундаментной ямы. В двигателях с разомкнутым циклом вентиляции продувка осуществляется внешним вентилятором, а в двигателях с замкнутым циклом вентиляции для продувки используется вентилятор подпитки, поэтому при эксплуатации электродвигателя необходимо следить за состоянием и работоспособностью вентиляторов.
При испытаниях электродвигателя после ремонта или хранения на складе одним из важных параметров является сопротивление изоляции.
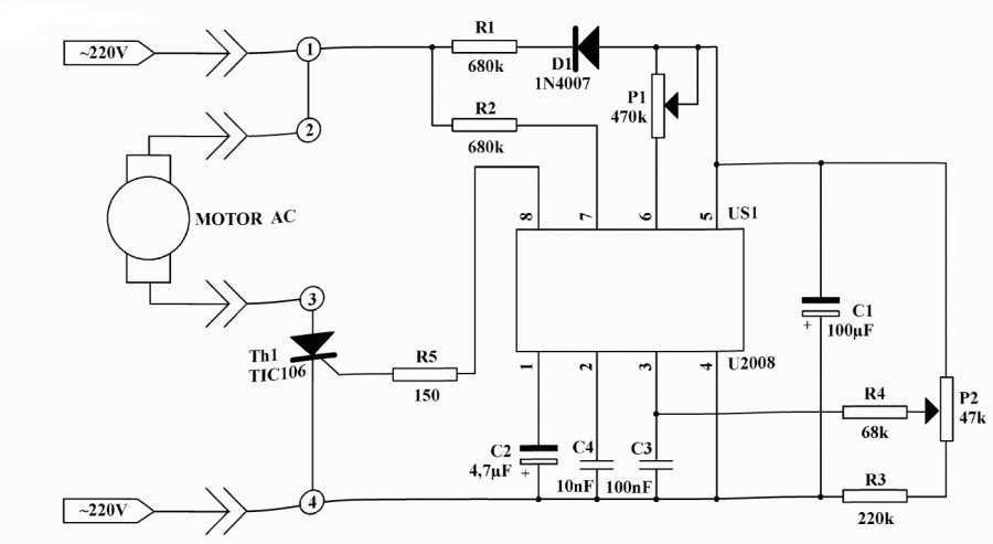
Корректируем обороты
Работа с разнообразным электрическим инструментом и оборудованием в быту или на производстве непременно ставит вопрос о том, как регулировать обороты электродвигателя. Например, становится необходимым изменить скорость передвижения деталей в станке или по конвейеру, скорректировать производительность насосов, уменьшить или увеличить расход воздуха в вентиляционных системах.

Осуществлять указанные процедуры за счет понижения напряжения практически бессмысленно, обороты будут резко падать, существенно снизится мощность устройства. Поэтому используются специальные устройства, позволяющие корректировать обороты двигателя. Рассмотрим их более подробно.


Микроконтроллер управляет всем процессом работы преобразователя
Благодаря такому подходу появляется возможность добиться плавного повышения оборотов двигателя, что крайне важно в механизмах с большой нагрузкой. Медленный разгон снижает нагрузки, положительно сказываясь на сроке службы производственного и бытового оборудования
Все преобразователи оснащаются защитой, имеющей несколько степеней. Часть моделей работает за счет однофазного напряжения в 220 В. Возникает вопрос, можно ли сделать так, чтобы трехфазный мотор вращался благодаря одной фазе? Ответ окажется положительным при соблюдении одного условия.

При подаче однофазного напряжения на обмотку требуется осуществить «толчок» ротора, поскольку сам он не сдвинется с места. Для этого нужен пусковой конденсатор. После начала вращения двигателя оставшиеся обмотки будут давать недостающее напряжение.

Существенным минусом такой схемы считается сильный перекос фаз. Однако он легко компенсируется включением в схему автотрансформатора. В целом, это довольно сложная схема. Преимущество же частотного преобразователя заключается в возможности подключения моторов асинхронного типа без применения сложных схем.

-
Электродвигатели: устройство и принцип работы
- Ротор электродвигателя — особенности конструкции и принцип работы устройства. Инструкция по ремонту и восстановлению
-
Подключение электродвигателя — основные схемы, способы и особенности подсоединения различных моделей (инструкция + фото)
Параметры электродвигателя №3: тип соединения обмоток
Это очень важный параметр трехфазного электродвигателя. Все шесть выводов начал и концов обмоток выведены в барно двигателя. Подключить их можно либо в звезду, либо в треугольник.
Схема соединения обмоток
Рядом с символами «треугольник/звезда» на табличке указывается номинальное напряжение – «220/380 В». Это означает, что при включении в сеть трехфазного тока напряжением 380 В обмотки двигателя нужно соединить в звезду. Ошибка в соединении приведет к выходу электродвигателя из строя.
Номинальный ток также указывается через дробь. В описанном случае необходимо значение, указанное в знаменателе.
Определение мощности по току
Если у вас “в поле” нет под рукой вышеуказанных таблиц, зато имеются токоизмерительные клещи, рассчитать мощность электродвигателя можно по результатам замеров при его работе под напряжением.
Для этого отключаете рубильник питания агрегата и вскрываете брно. Провода в нем уложены как правило очень плотно, чтобы подлезть к ним клещами, придется их временно распрямить и развести между собой.
С самих клемм ничего откидывать не нужно. После этого включаете эл.двигатель под напряжение и даете ему несколько минут поработать под нагрузкой (не на холостом ходу!)
Токоизмерительными клещами обхватываете одну из фаз и записываете данные замера.
Помимо тока нужно знать еще и фактическое напряжение. Измерение делаете между фаз приходящего кабеля питания.
Далее, чтобы вычислить мощность, воспользуйтесь известной формулой:
Подставив в нее данные (U в киловольтах!, а ток в амперах) вы узнаете полную мощность движка в кВа. При этом следует учесть, что мощность эл.двигателя не зависит от схемы соединения обмоток статора, будь то треугольник или звезда.
Просто вы получите другие данные по току и напряжению, значение же самой мощности останется прежним.
Дабы узнать мощность электродвигателя в кВт, т.е. на валу, достаточно умножить полученное значение на cosϕ (коэфф. мощности=0,75-0,85) и на КПД (0,75-0,95).
Если у вас нет точных данных этих величин (что чаще всего и наблюдается), подставьте усредненные параметры:
cosϕ=0,8
ⴄ=0,85
Полученный результат округляете до целого и узнаете искомую мощность.
https://youtube.com/watch?v=vGJJl3SL4DQ%3F
Источники — //cable.ru, Кабель.РФ
Электродвигатели в составе мотор-редукторов.
Электрические двигатели уже давно стали включаться в состав различных мотор-редукторов. Они находят свое применение как в трёхступенчатых типа МЦ3У, так и в двухступенчатых типа МЦ2У. Электромоторы имеют практически 90%-ный коэффициент полезного действия, не требуют постоянного обслуживания. Немаловажным параметром является и исключительная экологичность электрического мотора, вредные выхлопы отсутствуют вовсе, что делает его незаменимым при установке внутри помещения. Словом, в настоящее время электромоторы признаны в 3, а то и в 4 раза эффективнее традиционных двигателей внутреннего сгорания.
Но иногда, в случае выхода из строя электродвигателя, покупатель узнает, что абсолютно никакой сопроводительной документации к нему не прилагается. Маркировочные шильды, если и сохранились, могут находиться в изношенном потертом состоянии, так, что ничего на них рассмотреть попросту бывает невозможно. Как же в таком случае можно определить мощность двигателя и число его оборотов? Здесь поэтапно будут приведены советы, которые помогут это сделать.
Следует иметь в виду, что под числом оборотов подразумевается так называемая асинхронная скорость. Синхронная скорость это скорость вращения магнитного поля. Асинхронная скорость несколько ниже синхронной из-за наличия массы у вращательного элемента, а также воздействия сил трения, которые могут значительно понизить КПД мотора. Впрочем, на практике эти различия практически никогда не имеет решающего значения.
Сейчас на рынке представлено 3 основные категории асинхронных электродвигателей. Первая категория каталога — моторы, работающие при 1000 оборотах. На практике это число составляет порядка 950-970 оборотов, но для наглядности все-таки округляют до тысячи. Вторая категория моторы, выдающие 1500 об/мин. Это также округлено, так как в действительности диапазон лежит в пределах 1430-1470. Третья 3000 оборотов в минуту. Хотя реально такой мотор выдает 2900-2970 вращений.
Заключение
Мы рассмотрели основные способы определения мощности электродвигателя. Есть и другие методы, например, по сопротивлению обмоток, но он не может быть точным, так как после перемотки оно может не соответствовать паспортным данным. Да и чтобы точно измерить сопротивление обмоток статора мощных двигателей нужны точные измерительные приборы, так называемый измерительный мост, или производить замеры методом вольтметра-амперметра. Чего делать на практике никто не будет, а мультиметром точно сделать такие замеры не получится.
Способ определения параметров электродвигателя по весу также нельзя называть точным, он заключается в том, что, в среднем, вес асинхронного электродвигателя равняется:
- для 3000 об/мин — 7-9 кг на 1 кВт;
- для 1500 об/мин — 11-13 кг/кВт;
- Для 1000 об/мин — 14-15 кг/кВт.
Но точным его назвать совсем нельзя, корпуса современных электродвигателей выполняются из алюминия и легче до 30%, по сравнению со старыми советскими, тогда как защищенный электродвигатель будет весить больше своего незащищенного аналога. Поэтому такой метод, хоть и имеет право на жизнь, но больше похож на гадания на кофейной гуще.
Пожалуй, самое простое определение мощности электродвигателя — по размерам, диаметру вала и т.д. с последующим сравнением с каталожными данными двигателей такой же серии.
























































