Подключение
Типичная схема подключения головного устройства в автомобиле Ауди выглядит вот так:

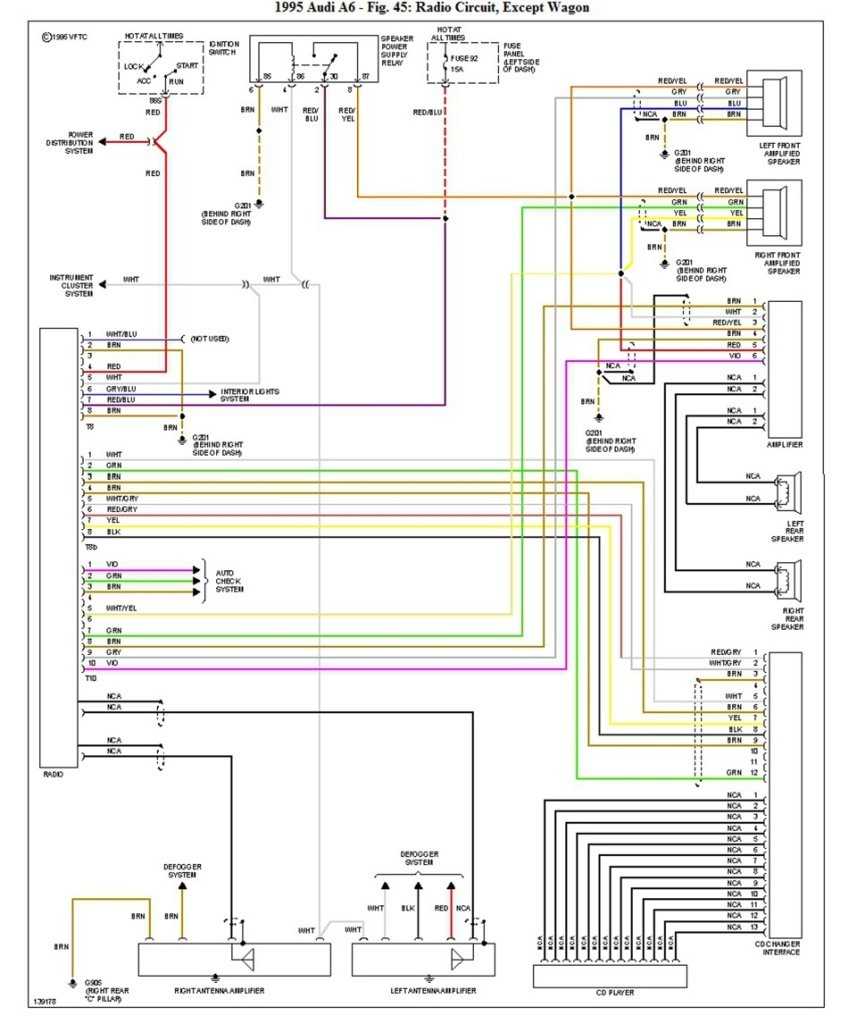
Автомагнитола для Ауди А6 и других моделей и схема подключения
А это другая схема:
Автомагнитола для Ауди А6
Распиновка
Что касается распиновки, то она выглядит следующим образом:
- На разъем 4 идет питание, если поворачивается ключ в ЗЗ в положение ACC;
- На 5 идет провод усилителя;
- Антенна или подсветка на 6;
- На 7 постоянное питание;
- На 8 – минусовой провод.

Схема распиновки
Автомагнитола delta audi
Что касается динамиков, то проводку надо соединять с ними так:
- 5/6 разъемы – это фронт/правый;
- 7/8 – фронт/левый.
Если подключается внешний усилитель, то общая картина будет выглядеть так:
- Разъемы 1/2 – тыловая акустика;
- В разъем 3 надо вдеть один провод, разделенный на 4 части (подразумевается подключение 4-канального усилителя);
- 4/5 – фронтальная акустика;
- 6 – питание.
Адаптер
Сегодня можно купить различные полезные штуки, чтобы значительно повысить функционал автомагнитол Ауди старых моделей. Так, можно приобрести специальный адаптер для штатных головных устройств, который позволит слушать музыкальные композиции с SD-карт и флешек USB.
Специальный адаптер и схема его подключения
Вот так в итоге будет выглядеть схема подключения, осуществленная посредством адаптера (Yatour).
Итоговая схема
Автомагнитолы audi a3
Установка автомагнитолы выполняется обязательно со снятием металлической рамки (если она имеется). Что касается проводки, то ее можно, так сказать, «окультурить» изолентой.
Код

Audi a4 b6 автомагнитола
Штатные автомагнитолы при подключении могут нуждаться в вводе кода.Ниже приводится инструкция, как и что делать:
- Включаем автомагнитолу;
- На экране высвечивается окошечко с просьбой ввести код (SAFE или что-то подобное);
- Надо одновременно нажать на кнопки «RDS»/«TP» и удерживать их до тех пор, пока на дисплее не появится число «1000»;
- Вводим код для определенной модели штатной автомагнитолы Ауди с помощью кнопок/цифр.
- После высвечивания на дисплее требуемого кода, нажимаем и удерживаем «RDS»/«TP»;
- Магнитола должна включиться.
Audi chorus автомагнитола
Важные моменты
Мерседесовская автомагнитола
Отметим, что:
- Для соединения радио надо использовать другой переходник;
- Для антенного усилителя ТВ можно воспользоваться проводом AMP-C.
Видео обзор даст полноценную и более обширную информацию по установке, подключению использованию разъемов и распиновок штатных автомагнитол Мерседес. Не менее полезны будут и фото – материалы, схемы и инструкция по эксплуатации головного аппарата. Если есть сомнения в том, что подключение своими руками вызовет много проблем, то рекомендуем воспользоваться услугами специалистов. Цена на их услуги, правда, высокая, зато качество работ гарантируется.
Важные моменты в схемах подключения автомагнитолы
Итак:
Как правило, основной ошибкой при подключении автомагнитолы является соединение плюса с прикуривателем. Делать этого не стоит, ведь падает в разы мощность головного устройства. Определить, что мощность автомагнитолы снижена несложно, достаточно посмотреть на мигающую подсветку, которая появится, если прибавить громкость на уровень, приближенный к максимуму.
https://youtube.com/watch?v=B2K8nIr1Itc
Подключение автомагнитолы
- Как несложно было понять, у современной автомагнитолы за питание отвечают два провода. Как правило, это ЖП И КП. Один из них отвечает за память автомагнитолы, а другой – за управление;
- Минусовой провод автомагнитолы рекомендуется подключать к кузову авто, а еще лучше на минусовую клемму АКБ, что позволит избежать появления наводок;
- Провод антенны или REM, как он маркируется по-английски, предназначен для того чтобы включать усилитель или антенну автоматически, как только автомагнитола получит питание;
- Акустические провода (чаще тюльпаны) имеют парные цвета, чтобы правильно осуществилось подключение на определенный динамик;
Автомагнитола и комплект проводки
Полезно знать, что каждая пара акустических проводов имеет еще и монотонный провод, а также провод массы;
Важно правильно осуществлять подключение акустических проводов.
Для примера рассмотрим одну из схем подключения:
Плюс-провода в данном случае ЖП и КП. Они соединены друг с другом, а уже затем идут на АКБ. Рекомендуется данная простая схема подключения автомагнитолы в том случае, если подразумевается малое потребление тока в режиме сна.
Следующая схема выглядит немного иначе:
Контроль питания магнитолой в данном случае осуществляется вручную, никакие настройки не сбиваются. Пользователю, который осуществляет подключение по данной схеме, остается только найти место для установки кнопки вкл/выкл.
Кроме приведенных выше схем, автомагнитолу можно будет подключить через ЗЗ, хотя это крайне неудобно, ведь без ключа пользователь не сможет насладиться прослушиванием музыки.
Можно осуществить схему подключения и через сигнализацию, но и данный вариант не всем подойдет.
Видео и тематические фото помогут усвоить материал, исходя из практической точки зрения. В процессе работ своими руками крайне рекомендуется воспользоваться советами бывалых. Что касается услуг специалистов, то цена их работ в большинстве случаев довольно высокая, что и вынуждает действовать самостоятельно.
Технические характеристики
Магнитола обладает следующими параметрами:
- напряжение — 11-14 В;
- наличие усилителя — да;
- мощность — 4*50 Вт;
- частотный диапазон при воспроизведении со сменных носителей — 20-20000 Гц;
- число ячеек памяти для станций УКВ-диапазона — 18;
- размер корпуса — 1 Din.
Для регулировки уровня звука используется поворотная рукоятка, не имеющая концевых фиксаторов хода. Кнопки управления расположены на панели, имеется дополнительный пульт дистанционной передачи сигналов. Автомагнитола Mystery MAR-919U оснащается съемной передней панелью, при размыкании контактов автоматически активируется сигнальный индикатор со светофильтром зеленого цвета. На фронтальной панели расположен жидкокристаллический монохромный сегментный дисплей, на котором отображаются часы и состояние работы головного устройства.
Особенности автомагнитолы roadstar выпуска 80-х годов
Предшественниками автомагнитол были приемники для автомобилей. Отсюда основным узлом устройства принято считать радиоприемный тракт. Ниже представлена схема автомагнитол roadstar, выпущенных в конце 80-х годов, которая состоит из дискретных элементов. Настройка выполняется ферровариометром.
Схема автомагнитолы на дискретных элементах
Итак:
- Контур L2C1 и дроссель L1 образуют входную цепь и ослабляют по зеркальному каналу помехи.
- С L3, катушки связи, на первый каскад поступает сигнал на транзистор VT1, резонансный УВЧ.
- Резистором R3 снижается добротность контура L4C4 на высокочастотном участке, что упрощает сопряжение контуров и снижает опасность их самовозбуждения.
- VT2 — каскад на транзисторе, преобразует частоту. Через L6, катушку связи, с контура ПЧ L5C7 сигнал поступает на УПЧ, идущий от транзистора VT3.
- На детектор АРУ, который выполнен на диоде из кремния VD1, поступает с первого контура сигнал.
- На транзисторы УВЧ и УПЧ идет напряжение АРУ, уменьшающее при сильных сигналах их усиление.
- Сигнал со второго контура идет к детектору сигнала, который выполнен на диоде из кремния, на VD2.
- Повышает чувствительность детектора небольшое напряжение, подающееся через резисторы R13R14 на диод.
- Для повышения качественных показателей и упрощения коммутации большая часть автомагнитол имеет разделенные полностью тракты ЧМ и АМ. Выполнены они, в основном, на микросхемах. Меньшей степенью интеграции оснащены модели более высокого класса. Причина в том, что к ухудшению параметров приводит усиление взаимного влияния друг на друга совмещение нескольких функциональных узлов на одном кристалле. На дискретных транзисторах используют каскады в более качественных трактах.
https://youtube.com/watch?v=WaBXoerBmlE
Тракт стереодекодера и ПЧ ЧМ автомагнитолы «Road Star»
В более поздних моделях высокого класса УПЧ и стереодекодер представляют собой разные микросхемы, но бывают и комбинированные, которые объединяют два узла. Один из примеров, какие бывают схемы автомагнитолы roadstar можно видеть на фото.
Схема тракта ПЧ ЧМ и стереодекодера магнитолы «Road Star»
Сигнал ПЧ, имеющий частоту 10,7 МГц поступает с выхода преобразователя частоты на апериодический первый каскад УПЧ. Задачей его является согласование преобразователя ZF1 с пьезокерамическим фильтром, а затем в нем компенсировать потери. После этого сигнал направляется на широкополосный УПЧ. В состав частотного детектора входит, настроенный на ПЧ, фазосдвигающий контур L1C3.Комплексный стереосигнал после детектирования поступает на стереодекодер. Резистором R7 производят установку его режима работы. Цепи компенсации предыскажений образуют конденсаторы C11, C12 и элементы коммутатора сигнала. Как подключается автомагнитола roadstar и схема ее работы хорошо представлена на видео. Здесь же оговаривается и инструкция по настройке, эксплуатации и уходу за автомагнитолой roadstar.
Имея перед собой схему магнитолы, автолюбитель может определить неисправности в ней и заменить, вышедшие со строя элементы.
Простейшие неисправности магнитолы
Теперь вернемся к нашим симптомам, и сопоставим их с неисправностями, которые дальше будем диагностировать и устранять. Так по представленному выше списку и пойдем:
- Магнитола может не включаться только по одной причине – отсутствует питание. То есть оно, может быть, и подается, но не доходит до устройства.
- Если нет звука в одном из каналов при правильно настроенном балансе и фейдере, то проблема может быть в микросхеме УМЗЧ (усилитель мощности звуковой частоты).
- Если звук отсутствует полностью, тоже, вероятнее всего, виновата микросхема УМЗЧ.
- В появившихся помехах при звучании музыки может быть «виновата» и все та же микросхема, и ее обвязка (радиодетали, которые находятся вокруг нее). Также причиной помех может быть и не сама магнитола, а внештатные устройства в машине (телефон, инвертор, холодильник, GPS-маячок и прочее). Такие помехи сразу же пропадают, если магнитолу подключить вне машины.
- Если при добавлении громкости магнитола уходит в защиту, то это говорит о перегреве микросхемы УМЗЧ, либо о снижении ее работоспособности. Подобные проблемы могут также возникать из-за потери емкости конденсаторами в обвязке микросхемы. Также магнитола может самостоятельно отключаться, если ей не хватает бортового напряжения.
- Если при включении магнитолы в динамиках слышен громкий щелчок, то вышли из строя конденсаторы, которые отвечают за временную задержку включения динамиков.
- Если звук лишен низких или высоких частот, то проблема может быть во второстепенных микросхемах, на базе которых построены внутренние фильтры в магнитоле.
- Горелым от магнитолы может попахивать тогда, когда в ней недостаточно эффективное охлаждение.
- Если есть помехи, скачки или пропуски во время вращения ручки управления громкостью, то виноват в этом засорившийся энкодер – аналог переменного резистора, потенциометра, применяемого в цифровой аппаратуре.
- На нажатие кнопки могут не реагировать из-за загрязнения контактных дорожек, либо из-за поломки механизма этих самых кнопок.
- Если перестала работать флэшка, то, скорее всего, полностью нарушился контакт между платой и разъемом USB.
- Практически то же самое, что и в предыдущем пункте. Контакт отпаялся, но, если его пошатать, он в определенном положении начинает «контачить».
Каким бы сложным не казалось все описанное в этом списке, на самом деле поиск и устранение этих неисправностей – довольно простые мероприятия. Главное – это знать, где и что искать, куда смотреть, что и чем измерять. Вот именно это вы сейчас и узнаете.
Подключение своими руками
Распиновка на автомагнитоле мерседес
Ниже будет представлена инструкция, описывающая процесс демонтажа старого и установки нового, более функционального головного аппарата на Мерседес.
Демонтаж
Распиновка автомагнитол мерседес
Приступим к снятию:
- В первую очередь надо отсоединить минусовой кабель от АКБ;
- Далее надо будет заняться демонтажом автомагнитолы, которую на Мерседесах держат два фиксирующих крепления. Они представляют собой специальные приспособления, похожие на ключи. Найти их можно в бардачке автомобиля или купить, обратившись в соответствующий дилерский центр.
Продолжаем:
- Ключи вставляем в специально предназначенные отверстия до тех пор, пока не будет услышан характерный щелчок, свидетельствующий о том, что произошло зацепление;
- Теперь тянем за оба ключа и вынимаем автомагнитолу.
Идем дальше:
- Отсоединяем электропроводку, которая входит в аппарат с разъемом(см.Какие бывают разъемы автомагнитол);
- Снимаем также антенный кабель;
- Нажимаем на фиксаторы, чтобы полностью снять аппарат.
Важные моменты демонтажа
Переходник для подключения
Советуем ознакомиться:
- Большинство современных стандартных автомагнитол потребуют специальные приспособления для их снятия. Что касается отверстий, куда входят ключи или специальные приспособления, то они могут быть заглушены резиновыми составляющими;
- Как правило, стандартные ключи имеют C-образную форму. Сделаны они из прочной и толстой проволоки. Вставив их в специальные отверстия, можно легко освободить фиксаторы, держащие автомагнитолу;
- Ключи вставляются до тех пор, пока фиксаторы не разблокируются;
- Снимать аппарат из гнезда надо медленно, используя в качестве ручек сами ключи;
- Снимая электропроводку, рекомендуется запомнить ее расположение.
Наружный корпус
Автомагнитола и ее подключение на Мерседес
Полезно будет знать, что:
Многие встроенные автомагнитолы сидят в гнезде на салазках. Они остаются на передней панели после демонтажа аппарата.
Установка
Своими руками подключение
Приступим:
Для начала устанавливаем новую рамку на авто и фиксируем ее 2-я шурупами.
Подготавливаем проводку для новой автомагнитолы с современными функциями:
- Прокладываем кабель для камеры заднего вида;
- Проводим также антенный провод для ТВ;
- Все нужные разъемы AUX, USB и Ipod желательно вывести в бардачок или другое удобное место;
- Что касается GPS-антенны, то она устанавливается под решеткой по самому центру консоли около лобового стекла.
- Не забываем предварительно снять верхний карман и решетку центрального динамика;
- Устанавливаем аппарат, произведя монтаж на двусторонней липучке. Она идет в комплекте с современными автомагнитолами;
- Кабель штатного головного аппарата для Мерседес протягиваем через правое отверстие, а разъем выводим к автомагнитоле;
- Штатный аппарат подключаем к CAN шине автомобиля (распиновка будет как раз кстати);

Автомагнитола Мерседес-Бенц
- От места монтажа до CAN (находится справа на стенке большинства моделей Мерседес) протягиваем 2-х жильный кабель (лучше брать с сечением 0,5 мм2);
- Не забываем снять уголок панели, который закрывает CAN;
- Снимаем пистоны;
- Пины на 2-х жильный провод, идущий от автомагнитолы, надо будет обжать;
- Теперь пины вставляем в корпус разъема, а затем подключаем к CAN;
- Подключение почти осуществлено, и теперь можно установить назад пластиковые элементы салона;
- Подготавливаем жгут проводов, чтобы подключить штатное головное устройство к готовому разъему Мерседес (предполагается обычный евро разъем);
- Проводим распиновку разъема переходника, через который собственно и будет осуществляться соединение.
Заводская автомагнитола Мерседес
https://youtube.com/watch?v=3mU2PalpBQo
Подключение автомагнитолыСамо время перейти к последнему этапу – окончательной установке:
- Находим слева и справа транспортировочные углы и откручиваем их;
- Ставим полозья слева и справа.
- Проводку окончательно соединяем к задней панели штатного головного аппарата;
- Ставим магнитолу в рамку;
- Фиксируем шурупы;
- Включаем устройство и проверяем, как все работает.
Инструкция по эксплуатации автомагнитолы Mystery MAR-919U
А втомагнитола является весьма распространённым электронным прибором. За редким исключением в салоне автомобиля нет этого, без сомнения, полезного аппарата. Но, несмотря на смену носителя записи в автомобильном проигрывателе, эти приборы по-прежнему называют знакомым словом автомагнитола. Оно прочно устоялось со времён массового использования кассетных автомобильных проигрывателей. Д анный раздел сайта посвящён вопросам ремонта автомагнитол своими руками.
Не секрет, что автомобильные проигрыватели разных модификаций и фирм-производителей ломаются. Н а страничках этого раздела не будет простого перечисления конкретных неисправностей определённых моделей автомагнитол, а будут раскрываться методы ремонта и восстановления этих устройств.
Изложение будет вестись без отрыва от практики, с приведением примеров ремонта конкретных моделей автомобильных проигрывателей. Здесь рассказывается о необходимых приборах, которые потребуются в процессе ремонта автомагнитол. Блок питания для автомагнитолы из компьютерного БП. С этим вопросом сталкивается любой, кто желает «запитать» автомагнитолу от сети V.
В этом есть смысл, если планируется ремонт автомагнитолы или её доработка до стационарного музыкального центра. Здесь Вы узнаете о типовых неисправностях автомобильных проигрывателей и причинах их возникновения. Что такое сложная неисправность и как коды ошибок могут помочь при ремонте автомагнитол?
Методика разборки CD-механизма автомобильного проигрывателя. При ремонте дисковых автомагнитол довольно часто возникает необходимость в разборке CD-механизма. Разборка CD-привода автомобильного проигрывателя Kenwood. CD-приводы у автомобильных ресиверов разных марок отличаются по своему устройству.
А значит нужно уметь разбирать CD-механизмы разных типов. Здесь вы узнаете, как без ошибок разобрать CD-привод автомагнитолы Kenwood. Нет подсветки дисплея. О том, как устранить эту поломку и пойдёт речь. Нет звука. Реальный пример ремонта с применением осциллографа. Не работает регулятор громкости. Ремонт энкодера автомагнитолы. Не работает регулятор звука автомагнитолы? Возможной причиной неисправности может быть валкодер.
Валкодер очень часто используется в цифровой аппаратуре для регулировки всевозможных функций и управления прибором.
Так ли необходима замена валкодера при его некорректной работе? О том, как восстановить правильную работу валкодера, и избежать его замены рассказано в этой статье. В практике ремонта автомобильных проигрывателей и CD-ресиверов бывают случаи, когда необходима принципиальная схема, информация по распиновке разъёма или таблица расшифровки кодов ошибок.
Среди всевозможных модификаций автомагнитол нашли своё место под солнцем и так называемые флэш-автомагнитолы. Размеры SMD-резисторов. Таблица типоразмеров. В чём разница? Ремонт блютуз-колонки JBL Charge 3 реплики. Телевизор не включается. Индикатор мигает. Что делать? Секреты ремонта автомагнитол Советы по ремонту автомагнитол А втомагнитола является весьма распространённым электронным прибором.
Ремонт автомагнитол своими руками. Типовые неисправности автомагнитол. Коды ошибок автомагнитол. Схемы автомагнитол. Cheetah vs Mystery Какой марки автомагнитолу выбрать? Прочитайте эту статью, и у вас навсегда отпадёт этот вопрос. Автомагнитола без диска.
Инструкция по эксплуатации
У магнитолы Mystery Mar-919U инструкция свидетельствует, что для управления основными функциями используются такие клавиши:
- PWR. Предназначена для включения и отключения устройства.
- MOD. Кнопка предусмотрена для изменения режимов работы.
- Фиксатор REL. Используется для извлечения передней панели. Этот элемент нужно вдавить, после чего потянуть облицовку вперед.
- Поворотный регулятор. Вращением этого элемента увеличивают или уменьшают громкость звука.
- SEL. Основной функцией этой клавиши является вызов меню. Последовательные нажатия кнопки способствуют циклическому переключению разделов.
- MUTE. Помогает быстро отключить звук.
- DISP. Используется для просмотра текущего времени или настройки часов. Режим запускается при длинном нажатии.
Для поиска радиостанций или управления воспроизведением используют клавиши, отмеченные 2 стрелками. Коротким нажатием настройки задают вручную. Длительное удержание способствует переходу магнитолы в режим автоматического поиска радиостанций. Для внесения данных в память применяют цифровые клавиши, расположенные под дисплеем. Для записи кнопку удерживают в течение секунды.
Процесс сканирования сохраненных точек запускают нажатием клавиши AS/PS. Каждая станция воспроизводится в течение 3 секунд, после чего запускается следующая. Длинное нажатие кнопки AS/PS позволяет перейти к поиску станций с наиболее сильным сигналом.
Причины
Штатная автомобильная магнитола
Ни для кого не секрет, что со временем эксплуатации механические элементы мультимедийной системы имеют свойство изнашиваться. Итак, если система не включается или отключается, необходимо произвести либо ее ремонт, либо замену.
Но для начала давайте разберемся в основных причинах, по которым не работает магнитола:
- Загрязненность устройства. Если перестала работать магнитола, это может быть связано с загрязнением механизмов — между ними может скапливаться грязь или пыль, особенно, если система используется в жестких условиях. Как правило, в таком случае ломаются оптические либо механические компоненты. Одним из признаков загрязнения является залипание диска и невозможность его нормального воспроизведения.
- Также причиной, могут служить механические неисправности. Такой тип поломки обычно связан с цепью питания. Если подключение головного устройства было произведено неправильно изначально, либо для электроцепи характерны резкие перепады, то удивляться нечему. Первый симптом проблем с цепью питания — это отсутствие подсветки экрана или невозможность запуска магнитолы.
Плата аудиосистемы для авто

































































