Как работает генератор
При покупке нового оборудования следует обращать внимание на срок гарантии и качество изготовления. После этих действий откручивается болтик клеммы фиксатора щеток




Планку натяжителя установил на родное место, только перевернули теперь к верху — планку пришлось немного подработать в кузне — просто погнули буквой Z, чтобы красиво стояла и ничего не задевала в подкапотном пространстве. При прохождении технического обслуживания проводится проверка креплений узла и натяжки ремней.
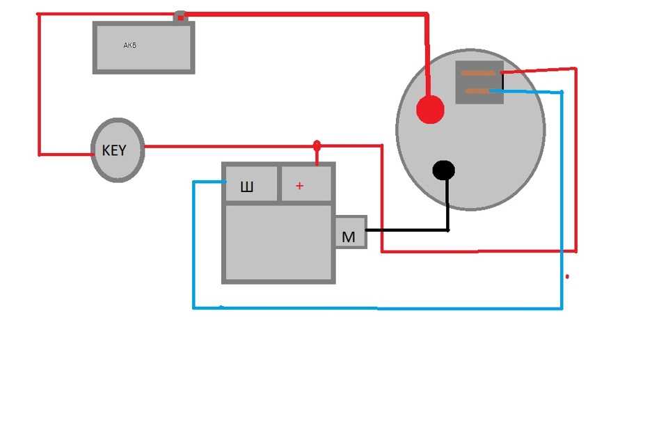
На просторах интернета случайно попалась какая та схема зажигания в которой я увидел, что управление на генератор идет через реле и я решил попробовать. Новые генераторы имеют другую конструкцию и, соответственно, иную схему подключения. А лампочку нужно было поставить в разрез красного проводе. УАЗ 31512, 31514, 31519 Мультимедийное руководство
https://youtube.com/watch?v=rjbXRxN9h2M
Зачем выставлять зажигание
При правильно выставленном зажигании:
- Двигатель эффективно, устойчиво и стабильно работает на всех режимах. Иначе мотор функционирует с перебоями, стуками, хлопками. Нестабильная работа двигателя доставляет много проблем, снижает динамику автомобиля и скоростные характеристики.
- После правильной регулировки зажигания существенно улучшается запуск холодного силового агрегата.
- При разрегулированном зажигании расход топлива увеличивается. После регулировки он значительно снижается.
- Мощность двигателя также заметно возрастает на автомобиле после правильной регулировки зажигания.
Зачем выставлять зажигание
При правильно выставленном зажигании:
- Двигатель эффективно, устойчиво и стабильно работает на всех режимах. Иначе мотор функционирует с перебоями, стуками, хлопками. Нестабильная работа двигателя доставляет много проблем, снижает динамику автомобиля и скоростные характеристики.
- После правильной регулировки зажигания существенно улучшается запуск холодного силового агрегата.
- При разрегулированном зажигании расход топлива увеличивается. После регулировки он значительно снижается.
- Мощность двигателя также заметно возрастает на автомобиле после правильной регулировки зажигания.
Разновидности
Сегодня известно три разновидности зажигания, применяемых на агрегатах с внутренним сгоранием. Вид, устанавливаемый на «417» мотор, зависит от модификации агрегата.
Устаревший тип, используется на большинстве машин. Принцип основан на толчке, рождающемся в трамблёре. Конструкция механизма проста, возможна самостоятельная регулировка и починка, доступная стоимость запасных частей. Зажигание включает: катушку, устройство распределения, устройство прерывания, устройство накопления заряда, свечки;
Воспламенение с отсутствием контактов.
Достоинство в формировании сильной дуги. Это достигается напряжением, образующимся во второй намотке индуктора, изделие, основанное на электричестве и магнетизме, стабилизирует работу агрегата. Зажигание нуждается в смазке привода каждые 10000км пробега. Для починки механизма нужно иметь специфическое оборудование.
Современное и дорогое устройство, устанавливается на последние марки машин. Механизм сложен, однако регулировка проще, чем у предыдущих видов и отсутствуют пятна контактов, подверженные окислению. Починка в полевых условиях невозможна.
Технические характеристики бензиновых двигателей
| ОБЩИЕ СВЕДЕНИЯ |
| Параметр | Модель двигателя | |||
| DR | DS | NP | WH | |
| Число цилиндров | 4 | 4 | 4 | 5 |
| Диаметр цилиндра, мм | 81,0 | 81,0 | 81,0 | 79,5 |
| Ход поршня,мм | 86,4 | 86,4 | 86,4 | 77,4 |
| Рабочий объем, см3 | 1781 | 1781 | 1781 | 1921 |
| Степень сжатия | 8,8 | 10,0 | 10,0 | 10,0 |
| Номинальная мощность, кВт (л.с.)/ Частота вращения коленчатого вала, мин–1 | 55 (75)/ 4500 | 60 (90)/ 5200 | 66 (90)/ 5200 | 74 (100)/ 5600 |
| Максимальный крутящий момент, Н·м/ Частота вращения коленчатого вала, мин–1 | 138/ 2500 | 145/ 3300 | 150/ 3300 | 150/ 3300 |
| Порядок работы цилиндров | 1–3–4–2 | 1–2–4–5–3 | ||
| Блок цилиндров | Чугунный безгильзовый | |||
| Головка блока | Из алюминиевого сплава, в головку запрессованы направляющие втулки и седла клапанов | |||
| Поршни | Из алюминиевого сплава со стальными вставками с двумя компрессионными и одним маслосъемным кольцом | |||
| Коленчатый вал | Стальной кованый | |||
| Фазы газораспределения впускных клапанов, град: | ||||
| – открытие до ВМТ | 5 | 1 | 3 | 0,5 |
| – закрытие после НМТ | 21 | 37 | 33 | 36,5 |
| Фазы газораспределения выпускных клапанов, град: | ||||
| – открытие до НМТ | 41 | 42 | 41 | 37 |
| – закрытие после ВМТ | 3 | 2 | 5 | 1 |
| Зазор между кулачками распределительного вала и регулировочными шайбами клапанов на холодном двигателе (при температуре головки цилиндров 20° С), мм: | ||||
| – впускных клапанов | 0,2 ± 0,05 | 0,2 ± 0,05* | – | 0,2 ± 0,05 |
| – выпускных клапанов | 0,4 ± 0,05 | 0,4 ± 0,05 | – | 0,4 ± 0,05 |
| Масляный фильтр | Champions | |||
| Давление масла в системе смазки двигателя, кг/см2: | ||||
| – на холостом ходу | 0,3 ± 0,15 | 0,3 ± 0,15 | 0,3 ± 0,15 | От 0,15 до 0,45 |
| при частоте вращения коленчатого вала 2000 мин–1 | 1,8 ± 0,2 | 1,8 ± 0,2 | 1,8 ± 0,2 | 2,0 |
| Воздушный фильтр | Mann C2852/2 или Purflux A460 | Mann C22117 или Purflux A515 | ||
| Топливный насос | Механический диафрагменного типа марки Pierburg | Механичес- кий диафраг- менного типа | ||
| Карбюратор | Pierburg 1В3 | Pierburg 2Е2 | Keihin 26-30DC | Keihin |
| Система впрыска топлива | – | – | – | – |
| Система зажигания | Бесконтактная с датчиком-распределителем, катушкой зажигания и коммутатором | |||
| Угол опережения зажигания, град | 18 ± 1 | 18 ± 1 | 18 ± 1 | 18 ± 1 |
| Свечи зажигания | Bosch W7D, W7DC, W8D, W8DC; Beru 14-7D, 14-7DU, 14-8D, 14-8DU; Champion N8Y, N10Y | Bosch W6DO, Beru 14-6DU, Champion N79Y | Bosch W6DO, Beru 14-6DU, Champion N79Y | Bosch W6DO, Beru 14-6D, Champion N7Y |
| Зазор между электродами свечей, мм | 0,6 – 0,8 | 0,8 – 0,9 | 0,8 – 0,9 | 0,8 – 0,9 |
| * Для автомобилей с автоматической трансмиссией. |
| Параметр | Модель двигателя | ||||
| KP | WC | KU | RT | NF | |
| Число цилиндров | 5 | 5 | 5 | 5 | 5 |
| Диаметр цилиндра, мм | 81,0 | 79,5 | 81,0 | 81,0 | 82,5 |
| Ход поршня, мм | 77,4 | 86,4 | 86,4 | 77,4 | 86,4 |
| Рабочий объем, см3 | 1994 | 2144 | 2226 | 1994 | 2309 |
| Степень сжатия | 10,0 | 9,3 | 10,0 | 10,0 | 10,0 |
| Номинальная мощность, кВт (л.с.)/ Частота вращения коленчатого вала, мин–1 | 85 (115)/ 5200 | 100 (136)/ 5700 | 101 (138)/ 5700 | 85 (115)/ 5200 | 98 (133)/ 5600 |
| Максимальный крутящий момент, Н·м/ Частота вращения коленчатого вала, мин–1 | 170/ 3000 | 185/ 4800 | 185/ 3500 | 170/ 3000 | 186/ 4000 |
| Порядок работы цилиндров | 1–2–4–5–3 | ||||
| Блок цилиндров | Чугунный безгильзовый | ||||
| Головка блока | Из алюминиевого сплава, в головку запрессованы направляющие втулки и седла клапанов | ||||
| Поршни | Из алюминиевого сплава со стальными вставками с двумя компрессионными и одним маслосъемным кольцом | ||||
| Коленчатый вал | Стальной кованый | ||||
| Фазы газораспределения впускных клапанов, град: | |||||
| – открытие до ВМТ | 1 | 2,5 | 2 | 3,9 | |
| – закрытие после НМТ | 37 | 52,5 | 41 | 31 | 41,2 |
| Фазы газораспределения выпускных клапанов, град: | |||||
| – открытие до НМТ | 37 | 48 | 40 | 31 | 45,9 |
| – закрытие после ВМТ | 1 | 6 | 1 | 2 | 4,9 |
| Зазор между кулачками распределительного вала и регулировочными шайбами клапанов на холодном двигателе (при температуре головки цилиндров 20° С), мм: | |||||
| – впускных клапанов | – | 0,2 ± 0,05 | – | – | – |
| – выпускных клапанов | – | 0,4 ± 0,05 | – | – | – |
| Масляный фильтр | Champions | ||||
| Давление масла в системе смазки двигателя, кгс/см2: | |||||
| – на холостом ходу | От 0,15 до 0,45 | От 0,15 до 0,45 | От 0,15 до 0,45 | От 0,15 до 0,45 | От 0,15 до 0,45 |
| – при частоте вращения коленчатого вала 2000 мин–1 | 2,0 | 2,0 | 2,0 | 2,0 | 2,0 |
| Воздушный фильтр | Mann C22117 или Purflux A515 | Bosch | |||
| Топливный насос | Электрический погружного типа марки Bosch | Электри- ческий марки Bosch | |||
| Карбюратор | – | – | – | – | – |
| Система впрыска топлива | Механическая система R-Jetronic фирмы Bosch | Механи- ческая система KE-Jetronic фирмы Bosch | |||
| Система зажигания | Бесконтактная с датчиком-распределителем, катушкой зажигания и коммутатором | Электрон- ная типа VEZ фирмы Bosch | |||
| Угол опережения зажигания, град | 18 ± 1 | 18 ± 1 | 18 ± 1 | 18 ± 1 | 15 ± 1 |
| Свечи зажигания | Bosch W6DO, Beru 14-6DU, Champion N79Y | Bosch W6D, W6DO, Beru 14-6DU, Champion N79Y | Bosch W6DС, Beru 14-6DU, Champion N7YС | Bosch W7DTС, Beru 14-7DTU, Champion N7BYC | Bosch W7DTС, Beru 14-7DTU |
| Зазор между электродами свечей, мм | 0,7 – 0,8 | 0,8 – 0,9 | 0,8 – 0,9 | 0,7 – 0,9 | 0,7 – 0,9 |
В двигателях типа DC выпуска с сентября 1985 года, NP, KU, NF установлены гидравлические толкатели клапанов.
Блог про Уаз
На неработающем двигателе УМЗ-421 установочный угол опережения зажигания в конце сжатия в первом цилиндре должен быть 5 градусов до верхней мертвой точки. При этом вторая метка на демпферной части шкива коленчатого вала двигателя должна находиться напротив ребра-указателя крышки распределительных шестерен.
Установка угла опережения зажигания на двигателе УМЗ-421.
— снять крышку датчика-распределителя; — вывернуть свечу зажигания первого цилиндра; — закрыть пальцем отверстие для свечи первого цилиндра; — повернуть коленчатый вал двигателя до начала выхода воздуха из-под пальца
Это произойдет в начале такта сжатия; — убедившись, что сжатие началось, осторожно поворачивая вал двигателя, совместить отверстие на шкиве коленчатого со штифтом на крышке распределительных шестерен; — убедившись, что электрод бегунка установлен против вывода на крышке, помеченного цифрой «1», вывод для провода зажигания свечи первого цилиндра, затянуть болты, чтобы указатель октан-корректора датчика-распределителя совпал со средним делением октан-корректора; — ослабить болт крепления пластин октан-корректора к корпусу датчика-распределителя; — придерживая пальцем на бегунок против его вращения, для выбора зазоров в приводе, медленно повернуть корпус до совмещения метки на роторе и острия стрелки на статоре датчика-распределителя; — затянуть болт крепления пластины октан-корректора к корпусу датчика-распределителя и установить крышку датчика-распределителя на место; — установить высоковольтные провода в крышку датчика-распределителя в соответствии с порядком работы цилиндров 1-2-4-3, считая против часовой стрелки
После каждой установки угла опережения зажигания проверить точность установки зажигания, прослушивая двигатель при движении автомобиля. Для этого :
— прогреть двигатель до температуры 60-90 градусов, двигаясь на прямой передаче по ровной дороге со скоростью 20-40 км/час; — дать автомобилю разгон, резко, до отказа, нажав на педаль дроссельных заслонок; — если при этом будет прослушиваться незначительная и кратковременная детонация, то установка момента зажигания сделана правильно; — при сильной детонации повернуть корпус датчика-распределителя на одно деление шкалы октан- корректора против часовой стрелки, каждое деление шкалы соответствует повороту коленчатого вала на угол 4 градуса; — при полном отсутствии детонации повернуть корпус датчика-распределителя на одно деление по часовой стрелке.
После корректировки момента зажигания проверить его правильность, прослушивая двигатель при движении автомобиля. Необходимо зажигание отрегулировать так, чтобы при большой нагрузке двигателя прослушивалась лишь легкая детонация. При раннем зажигании, когда слышна сильная детонация, может быть пробита прокладка головки блока и могут прогореть клапаны и поршни. При позднем зажигании резко растет расход топлива и двигатель перегревается.
Точная установка зажигания с помощью стробоскопа.
Более точная установка угла опережения зажигания производится с помощью стробоскопа. Для этого следует:
— присоединить датчик стробоскопа к проводу высокого напряжения свечи первого цилиндра; — завести и прогреть двигатель; — проверить двигатель и при необходимости отрегулировать частоту вращения коленчатого вала на холостом ходу в пределах 700-750 оборотов в минуту; — включить стробоскоп и направить его на ребро-указатель на крышке распределительных шестерен, при этом должны быть видны ребро-указатель и три неподвижных метки на шкиве-демпфере коленчатого вала.
При правильно установленном зажигании напротив ребра-указателя должна находится зона между первой и второй метками шкива-демпфера. Если положение ребра-указателя и меток не соответствует указанному, то необходимо ослабить болт крепления датчика-распределителя к корпусу привода и при работающем двигателе и включенном стробоскопе поворачивать корпус датчика-распределителя до оптимального положения ребра-указателя и меток.
источник
Инструкция по установке
Правильную установку зажигания на УАЗ-31512 можно осуществить своими силами, для этого не обязательно прибегать к услугам специалистов.
Как правильно настроить электронное устройство:
Для начала следует демонтировать крышку трамблера и ротор. Сделав это, нужно произвести диагностику состояния, а также величины зазора между контактами устройства. Если есть необходимость, зазор можно отрегулировать. Когда вы убедитесь в том, что состояние элементов и зазор нормальный, ротор можно поставить на место.
Далее, при помощи свечного ключа необходимо выкрутить свечу первого цилиндра. Сделав это, закройте пальцем отверстие этой свечи и проверните коленвал силового агрегата, для этого воспользуйтесь пусковой рукояткой. Поворачивайте вал до того момента, пока палец, которым вы заткнули свечное отверстие, не будет выталкивать воздухом
Этот момент называется временем начала хода сжатия в первом цилиндре.
Продолжайте проворачивать коленвал мотора, делайте это осторожно и до того момента, пока отверстие на шкиве со штифтом на крышке распределительных шестеренок не совпадут. Убедитесь в том, чтобы ротор был расположен против внутреннего контакта крышки, который подключен к высоковольтному проводку, идущего на первую свечу.
После выполнения этих действия проверните пластину октан-корректора с трамблером авто таким образом, чтобы метка совпала со средней отметкой на шкале, которая имеется на пластине.
Далее, необходимо легонько повернуть корпус распределительного механизма против часовой стрелки
Делайте это до того момента, пока контакты трамблера не замкнутся.
Затем необходимо подключить контрольную лампочку с патроном — один ее конец соединяется с выводом низкого напряжения трамблера, а второй — с массой автомобиля. Подключить лампочку можно к кузову транспортного средства.
Теперь следует включить зажигание и аккуратно провернуть корпус трамблера, только сейчас — по часовой стрелке. Поворачивайте корпус до того момента, пока не загорится лампочка, после этого вращение устройства можно остановить. Если лампочка не начала гореть, то попробуйте повторить эти действия.
Далее, можно затянуть крепежный болт, который фиксирует корпус распределительного узла от произвольного поворачивания. Установите на место крышку, а также центральный кабель. На завершающем этапе регулировки следует произвести диагностику правильности подключения высоковольтников к свечам зажигания, начинайте с первого цилиндра
В данном случае важно соблюдать порядок подключения, он должен быть таким — сначала первый, затем второй, четвертый, и только после этого — третий. Проверка осуществляется с учетом подсчета против хода часовой стрелки.
Особенности выставления ВМТ
Проводя работы по регулировке клапанов УАЗ 469, на двигателе 402, одним из главных моментов является правильное выставление ВМТ (верхней мертвой точки) с соблюдением дальнейшего алгоритма, следуя которому, мы довольно быстро проведем работу. Одним из главных инструментов для работы с клапанами является щуп 0,3…0,35.
При регулировке клапанов на УАЗ 469 и УАЗ 3303 с двигателями 402, 417 и 421, следует знать, что делают это по порядку цилиндров 1-2-4-3. Хотя в отдельных случаях он может быть нарушен. Соответственно, в этом порядке надо проводить регулировку как впускного, так и выпускного клапана на каждом цилиндре.
Для начала мы осматриваем крышку трамблера, фиксируем место бегунка для выхода искры на свечу первого цилиндра и находим провод, идущий к данной свече. При этом трамблер сверху должен, по аналогии со стрелками часов, показывать 10-00. После этого, завершая регулировку клапанов на УАЗ 469, снимаем клапанную крышку и отсоединяем все навесные элементы.
Зазор измеряют щупом
Следующий этап — это осмотр шкива коленвала. На нем должно находиться две или три черточки. Находим их и совмещаем последнюю справа по направлению вращения черточку с направляющим на блоке цилиндров. Вставляем «кривой стартер» и соединяем указанную черточку с направляющим. Если нет возможности его применить, то следует прокрутить вал вручную
Важно помнить, что если мы стоим лицом к двигателю, то направление вращения шкива для клапанов на УАЗ 469 будет по часовой стрелке
Двигатель УМЗ-417: технические характеристики
- Число цилиндров (шт.) – 4.
- Объем (см. куб.) – 2445.
- Диаметр одного цилиндра – 92,0 мм.
- Высота хода поршня – 92,0 мм.
- Величина сжатия – 7,0.
- Общее число клапанов (шт.) – 8 (по паре на каждый цилиндр).
- Тип ГРМ – OHV.
- Мощность мотора (при условии скорости вращения коленвала 4 тыс. об./мин.) – 92 л. с.
- Величина крутящего момента – 172Нм, при 2200 об./мин.
- Рекомендуемый тип бензина – А 76.
- Расход горючего (л. / 100 км): городской режим – 14,5, загородная трасса – 8,4, смешанный режим – 10,6.
- Заправочный объем масла – 5,8 л. (первый залив, последующие – 5 л.)
- Норма расхода масла на угар – 100 г на 1 тыс. км.
- Масса мотора (кг.) – 166.
- Рабочий ресурс – 150 тыс. км.
Обзор СЗ на знаменитых УАЗах
Что представляет собой схема подключения электронного или бесконтактного зажигания, на УАЗ 417, как переделать контактное зажигание на бесконтактное? Почему греется катушка и как произвести регулировку и настройку угла опережения? Для начала разберем основные моменты касательно действия и видов СЗ.
Принцип работы СЗ
Схема контактной системы
Система зажигания, вернее, ее правильная настройка, играет большую роль в работе и запуске автомобильного мотора. При корректной регулировке в силовом агрегате будет правильно сгорать горючая смесь в результате подачи заряда через свечи. На каждый цилиндр УАЗовского мотора ставится свеча, каждая из которых включается в определенном порядке, по очереди, подавая разряд на цилиндр спустя определенное время. Нужно учитывать, что любая СЗ дает возможность не только произвести подачу нужного разряда, но и определяет его силу.
Аккумуляторная батарея машины из-за своих технических характеристик не может вырабатывать напряжение с током, которое требуется для возгорания смеси. Это связано с тем, что АКБ может выдать только ток определенной силы. А благодаря правильной работе системы величина тока значительно увеличивается, что позволяет успешно воспламенять топливовоздушную смесь.
Принцип действия системы состоит из нескольких этапов:
- Сначала водитель вставляет ключ в замок зажигания и поворачивает его, электрическая энергия накапливается в катушке.
- Затем катушка преобразуется низковольтное напряжение в бортовой сети величиной 12 вольт в высоковольтное. Значение напряжения в результате возрастает до 30 тысяч В.
- После этого происходит распределение и подача разряда на ту или иную свечу.
- Непосредственно свеча образует искру, которая воспламеняет смесь.
Схема бесконтактной УАЗовской системы
Какие бывают виды СЗ?
В отечественных УАЗах может использоваться одна из трех систем зажигания, рассмотрим каждую из них подробно:
- Контактный вид. Данный тип СЗ является устаревшим, однако, он используется на большей части машин. В такой системе принцип действия заключается в выдаче определенного импульса, формирующегося в трамблере — распределительном устройстве. Контактная система считается одной из самых простых в плане устройства, что является преимуществом, поскольку при появлении неисправностей автовладелец сможет самостоятельно проверить и отремонтировать систему. Кроме того, цены на конструктивные детали контактной системы обычно доступные, что не может не радовать. В состав контактной СЗ входят катушка, распределительное устройство, прерыватель, конденсатор и свечи.
- Бесконтактный тип, также зовется транзисторным. По сравнению с контактной, бесконтактная система имеет больше достоинств. Формирующаяся искра обладает более высокой мощностью, что достигается благодаря образованию высокого напряжения во вторичной обмотке катушки. Также бесконтактные системы оборудуются электромагнитным девайсом, который дает возможность добиться более стабильного функционирования двигателя. В конечном счете, если силовой агрегат УАЗа будет настроен правильно, то при использовании бесконтактной системы вы можете не только увеличить его мощность, но и добиться экономии топлива, хоть и незначительной. Также такие системы более просты в обслуживании. Одним из основных нюансов в плане обслуживания является необходимость периодической смазки привода распределителя — не реже, чем каждые 10 тысяч км пробега. Из основных недостатков следует выделить трудность ремонта. На практике произвести ремонт бесконтактной СЗ будет проблематично, так как для диагностики системы понадобится оборудование, которое обычно имеется на СТО.
- Также система зажигания может быть электронной. Данный вариант в настоящее время считается одним из самых прогрессивных и дорогих, ставится он преимущественно на новые автомобили. Если сравнивать с контактной и бесконтактной, электронная система имеет более сложное устройство. Основное достоинство данной системы заключается в том, что при необходимости процесс регулировки угла зажигания провести будет значительно проще. Кроме того, в электронной системе нет контактов, которые подвержены окислению. Также следует отметить, что на практике горючая смесь в цилиндрах силового агрегата с электронной системой почти всегда сгорает полностью. Но несмотря на все преимущества, электронные СЗ имеют и свои недостатки, которые касаются ремонта устройства. Отремонтировать такую СЗ своими руками практически невозможно, так как для выполнения этой задачи, опять же, потребуется оборудование (видео опубликовал Наиль Порошин).
https://youtube.com/watch?v=8hPdnAfbZYg
https://youtube.com/watch?v=IFr7kKVQjy8
Настройка механизма на ГАЗе
Элементы газораспределительного механизма (ГРМ) при включенном двигателе испытывают постоянное воздействие от газов, следствием чего становится изменение зазоров:
- при их увеличении ухудшается наполнение цилиндра смесью газов;
- уменьшение зазора приводит к его перегреву.
В обоих случаях:
- возрастает расход топлива и масла;
- снижается ресурс работы установки.
О необходимости регулировки клапана предупреждает ряд признаков:
- появляется лязгающий звук;
- ГАЗ глохнет через небольшие промежутки.
Несомненно, регулировка клапанов на автомобиле требует:
- четкого соблюдения последовательности действий;
- наличия комплекта щупов и разных ключей;
- предварительного охлаждения двигателя.
Регулировка зазора на клапанах производится следующим образом:
Регулировка клапана УМЗ-4216
- ключом на 10 откручивается и снимается клапанная крышка, прокладку которой одновременно можно заменить;
- для удобства действий отсоединяются элементы электропроводки;
- коленчатый вал проворачивается по часовой стрелке ключом на 36;
- щупом измеряется зазор;
- его настройка производится поворотом затяжных гаек ключом на 14;
- первыми регулируются клапана 1, 2, 4, 6 – установкой зазора в диапазоне 0,35-0,4;
- после полного поворота коленвала устанавливаются — 3, 5, 7, 8;
- клапанная крышка устанавливается на место, а ГАЗ проверяется на наличие постороннего звука.
Если настройка выполнена правильно, всякий посторонний шум в силовой установке исчезнет.
Установка трамблёра УАЗ avto-mechanik.ru
Порядок работы с входящими документами
Если у вас возникла необходимость поменять трамблёр на автомобиле УАЗ сделать это можно следующим образом. Необходимо знать порядок зажигания, направление вращения бегунка и положение соединительной муфты между приводом и самим трамблёром.
Для того чтобы снять трамблёр необходимо отсоединить провод и открутить болт фиксации регулировочной пластины, а также снять высоковольтные провода.При установке нового трамблёра необходимо обратить внимание на соединительную муфту, она имеет два выступа, которые смещены относительно центра. У привода трамблёра имеются пазы,. в которые входят выступы соединительной муфты, они также смещены относительно центра
в которые входят выступы соединительной муфты, они также смещены относительно центра.
Вставив трамблер в привод, необходимо провернуть вал трамблёра пока выступы не попадут в пазы, и трамблёр займёт единственно правильное положение. В процессе работы происходит износ сопрягаемых деталей, выступы становятся тоньше, а пазы расширяются, в результате этого трамблёр может установиться и в обратном положении, поэтому перед установкой сориентируйте положение выступов относительно пазов. Устанавливаем трамблёр, согласно сказанного выше. Закручиваем болт на регулировочной пластине. Если болт стоит по центру шкалы то трамблёр необходимо провернуть против часовой стрелки на 2-3 деления шкалы, чтобы установит опережение зажигания. Затягиваем болт. Прикручиваем провод идущий от коммутатора. Устанавливаем высоковольтные провода. На крышке трамблёра возе соединительного контакта высоковольтного провода имеется цифра 1.
Она указывает на то, что провод идущий от этого контакта соединяется со свечой первого цилиндра. Если смотреть на крышку трамблёра сверху, то провод, соответствующий свече второго цилиндра, должен быть установлен в следующий контакт против часовой стрелки. Следующий против часовой стрелки будет контакт для свечи четвёртого цилиндра и оставшийся контакт третьего цилиндра. То есть порядок зажигания будет 1-2-4-3.
УАЗ 3303 Верблюд › Бортжурнал › Ремонт двигателя, Установка привода распредвала.
Распредвал, коленвал, шатуны установлены. Выводим шатун первого цилиндра в верхнюю мёртвую точку ВМТ. Если не установлен шкив, то смотрим на распредвал. На распредвале кулачки должны быть видны. Если кулачки не видны, то это рабочий ход.
По шкиву проще: при верхнем расположении поршня должна совпасть вторая, по ходу, риска на шкиве. Первая, как на фото — это установка зажигания.
Далее устанавливаем прокладку и привод трамблёра, согласно инструкции.
Устанавливаем, промытый от смазки, маслонасос. Снимаем сетку и заливаем, через приёмное отверстие, полный маслонасос масла. Устанавливаем сетку.
Рихтуем продавленный поддон.
Устанавливаем пробковые уплотнители. срезаем с небольшим запасом 2-3 мм.
Устанавливаем поддон. Низ двигателя собран.
Из копилки «передового опыта»…
При постановке задней крышки толкателей, столкнулся с проблемой: между шпилькой и приводом трамблёра, крышка не входила. «Хвала конструкторам! Умные ребята.» Ну, и пришла мысль снять привод трамблёра. Установка привода трамблёра поставила вообще в тупик. Привод, при установке, не попадал в маслонасос. Давления масла не было, и даже при проворачивании стартёром слышалось металлическое пощелкивание (привод задевал за блок).
Далее, надо было сливать масло, снимать поддон. Потом, устанавливать привод, поддон и снова заливать масло.
Была найдена причина: люфт, в приводе (он «качается», отклонялся от продольной оси, не попадая в паз масляного насоса).
Чтобы зафиксировать, вставил деревянные клинья. Позже, они сами отваливаются и удаляются, при замене масла. Развернул паз маслонасоса в нужное положение, подвернувшимся шомполом. Легко вставил привод трамблёра.
Более «продвинутые пользователи», в таком случае, просто выворачивают шпильку, устанавливают крышку, а затем шпильку. Но, вот без пива — не сообразил. «И опыт, сын ошибок трудных…»
В армию попадают водители, порою, только что получившие права. Опыта вождения немного. В ремонте и обслуживании, ещё меньше. Приводы «вталкивали» кто, как мог: и на 180 градусов и на 90. неправильно устанавливали положение шестерён. А, так как бывали ещё, при этом, ленивые, переставлять не хотели… Шли к «дедушке», а тот выставлял ВМТ и перекидывал провода 1 цилиндра, на тот, куда попадало. Далее, по кругу. Так и ездила вся часть без проблем, у кого на 3, у кого 4…
источник
Обзор СЗ на знаменитых УАЗах
Что представляет собой схема подключения электронного или бесконтактного зажигания, на УАЗ 417, как переделать контактное зажигание на бесконтактное? Почему греется катушка и как произвести регулировку и настройку угла опережения? Для начала разберем основные моменты касательно действия и видов СЗ.
Принцип работы СЗ
Схема контактной системы
Система зажигания, вернее, ее правильная настройка, играет большую роль в работе и запуске автомобильного мотора. При корректной регулировке в силовом агрегате будет правильно сгорать горючая смесь в результате подачи заряда через свечи. На каждый цилиндр УАЗовского мотора ставится свеча, каждая из которых включается в определенном порядке, по очереди, подавая разряд на цилиндр спустя определенное время. Нужно учитывать, что любая СЗ дает возможность не только произвести подачу нужного разряда, но и определяет его силу.
Аккумуляторная батарея машины из-за своих технических характеристик не может вырабатывать напряжение с током, которое требуется для возгорания смеси. Это связано с тем, что АКБ может выдать только ток определенной силы. А благодаря правильной работе системы величина тока значительно увеличивается, что позволяет успешно воспламенять топливовоздушную смесь.
Принцип действия системы состоит из нескольких этапов:
- Сначала водитель вставляет ключ в замок зажигания и поворачивает его, электрическая энергия накапливается в катушке.
- Затем катушка преобразуется низковольтное напряжение в бортовой сети величиной 12 вольт в высоковольтное. Значение напряжения в результате возрастает до 30 тысяч В.
- После этого происходит распределение и подача разряда на ту или иную свечу.
- Непосредственно свеча образует искру, которая воспламеняет смесь.
Схема бесконтактной УАЗовской системы
Какие бывают виды СЗ?
В отечественных УАЗах может использоваться одна из трех систем зажигания, рассмотрим каждую из них подробно:
- Контактный вид. Данный тип СЗ является устаревшим, однако, он используется на большей части машин. В такой системе принцип действия заключается в выдаче определенного импульса, формирующегося в трамблере — распределительном устройстве. Контактная система считается одной из самых простых в плане устройства, что является преимуществом, поскольку при появлении неисправностей автовладелец сможет самостоятельно проверить и отремонтировать систему. Кроме того, цены на конструктивные детали контактной системы обычно доступные, что не может не радовать. В состав контактной СЗ входят катушка, распределительное устройство, прерыватель, конденсатор и свечи.
- Бесконтактный тип, также зовется транзисторным. По сравнению с контактной, бесконтактная система имеет больше достоинств. Формирующаяся искра обладает более высокой мощностью, что достигается благодаря образованию высокого напряжения во вторичной обмотке катушки. Также бесконтактные системы оборудуются электромагнитным девайсом, который дает возможность добиться более стабильного функционирования двигателя. В конечном счете, если силовой агрегат УАЗа будет настроен правильно, то при использовании бесконтактной системы вы можете не только увеличить его мощность, но и добиться экономии топлива, хоть и незначительной. Также такие системы более просты в обслуживании. Одним из основных нюансов в плане обслуживания является необходимость периодической смазки привода распределителя — не реже, чем каждые 10 тысяч км пробега. Из основных недостатков следует выделить трудность ремонта. На практике произвести ремонт бесконтактной СЗ будет проблематично, так как для диагностики системы понадобится оборудование, которое обычно имеется на СТО.
- Также система зажигания может быть электронной. Данный вариант в настоящее время считается одним из самых прогрессивных и дорогих, ставится он преимущественно на новые автомобили. Если сравнивать с контактной и бесконтактной, электронная система имеет более сложное устройство. Основное достоинство данной системы заключается в том, что при необходимости процесс регулировки угла зажигания провести будет значительно проще. Кроме того, в электронной системе нет контактов, которые подвержены окислению. Также следует отметить, что на практике горючая смесь в цилиндрах силового агрегата с электронной системой почти всегда сгорает полностью. Но несмотря на все преимущества, электронные СЗ имеют и свои недостатки, которые касаются ремонта устройства. Отремонтировать такую СЗ своими руками практически невозможно, так как для выполнения этой задачи, опять же, потребуется оборудование (видео опубликовал Наиль Порошин).
https://youtube.com/watch?v=k5qV2dOcz9Y























































