Основные неисправности и их причины
Каким бы качественным и дорогим ни был приобретенный вами мотоблок, не стоит думать, что он ни разу за время своей эксплуатации не потребует правильного ремонта. Даже высококачественная и надежная техника может дать сбой. Если приключилась такая неприятность, мотоблок потребуется грамотно починить. Проблемы бывают разными.
К примеру, подобная сельхозтехника может начать действовать только на подсосе, выдавать отдачу при разводке, выделять синий или белый дым при эксплуатации.
Познакомимся со списком наиболее распространенных неполадок таких агрегатов, а также разберем, что обычно является их причиной.
Не заводится
Чаще всего в описываемой технике страдает ее «сердце» – двигатель. Деталь отличается сложной конструкцией и строением, что делает ее более подверженной разным поломкам. Бывают случаи, когда сельхозтехника в один «прекрасный» момент перестает заводиться. Такая распространенная проблема может возникать по нескольким причинам.
Чтобы выяснить ее, понадобится провести ряд процедур.
- Проверьте, в каком именно положении находится движок (если имеет место наклон центральной оси, то его желательно скорее вернуть на правильное место, чтобы не столкнуться с более серьезными неполадками).
- Убедитесь в том, что топливо поступает к карбюратору в достаточном объеме.
- Иногда наблюдается засорение крышечки бака. Ее также желательно осмотреть, если техника перестала нормально заводиться.
- Нередко мотоблок не запускается, если возникают какие-то недочеты в работе топливной системы.
- Свечи и кран топливного бака обязательно должны быть очищены. Если это условие не соблюдено, то двигатель не будет запускаться так, как следует.
Не развивает обороты
Иногда владельцы мотоблоков сталкиваются с тем, что их техника перестает набирать обороты так, как нужно. Если был нажат рычаг газа, но обороты после этого не набираются, а мощность неизбежно утрачивается, то, возможно, это свидетельствует о перегреве движка.
Стреляет в глушитель
Нередко встречающаяся проблема мототехники – стреляющий звук, который издается глушителем. На фоне громких характерных хлопков техника обычно пускает дым, а затем и вовсе глохнет. Эту неисправность возможно устранить своими силами.
Чаще всего причиной «стреляющего» глушителя являются несколько нюансов.
- К указанной проблеме может привести излишнее количество масла в топливном составе – в подобной ситуации нужно слить остатки горючего, а затем хорошенько вымыть насос и шланги. В завершение заливается свежее топливо, где имеет место меньший объем масла.
- Глушитель может начать издавать хлопки и задымить еще и тогда, когда было неверно выставлено зажигание мотоблока. Если весь механизм в целом работает с некоторым опозданием, то это в результате приведет к «стрельбе» глушителя.
- Глушитель может издавать такие характерные звуки в том случае, если имеет место неполное сгорание горючего в моторном цилиндре.
Дымит
Если вы заметили, что мотоблок в ходе эксплуатации начал испускать дым черного цвета, а на электродах свечей появился избыток масла, или они покрылись нагаром, то это будет указывать одну из перечисленных проблем.
- Причиной задымления техники может послужить то, что на карбюратор будет передаваться излишне насыщенная смесь топлива.
- Если имеет место нарушение герметизации топливного клапана карбюратора, то техника также может начать неожиданно дымить.
- Маслосъемное поршневое кольцо может сильно износиться, из-за чего техника нередко начинает испускать черный дым.
- При засоре воздушного фильтра возникают указанные проблемы.
Основные причины клина двигателя
Двигатель может заклинить из-за случившегося масляного голодания. Бывают случаи, что шейки коленвала при этом свариваются с вкладышами. Вторая популярная причина клина ДВС – в верхней головке поршня заклинивает пальцы поршня. Такое, конечно, может происходить по аналогичной с вкладышами причине – масляном голодании. Однако часто в клине пальца виновато неправильное соотношение его оси с осью верхней головки. Несоосность располагает к появлению перекоса. А уже вследствие перекоса возникают ограниченные места, где будет либо излишнее натяжение, либо полусухое трение. В результате имеем критическое тепловое расширение, появление задиров и, собственно, клин.
Поршень так же может заклиниваться в цилиндре из-за общего перегрева ДВС, или при ухудшении отвода тепла. Разрушенный поршень будет препятствовать нормальному перемещению шатуна и вращению коленчатого вала. Еще одна довольно популярная причина – гидроудар. Если такая проблема настигла ваш автомобиль Газель Некст в Санкт-Петербурге, то рекомендуем обратиться в автотехцентр “СТО ЛАКОН”. Доверьте ремонт Газель Некст высококвалифицированным мастерам и опытным механикам, чтобы ваш автомобиль ездил долго и без поломок. Вы останетесь довольны качеством ремонтных работ в данном автосервисе.
Есть еще несколько причин, которые можно объединить в одну группу – неквалифицированный ремонт ДВС. Возможно, что при сборке ЦПГ, коленчатого вала, были не верно выбраны тепловые зазоры. Или, к примеру, остались не отремонтированные неисправности в смазочной системе
Так же основанием для возникновения описанных ранее поломок может стать банальная неосторожность или небрежность при сборке/разборке двигателя. Какой-нибудь нерадивый рабочий может нечаянно уронить и не заметить болт или гайку во впускной тракт или цилиндр
Не редкость, когда клин происходит из-за погнутого клапана, блокирующего нормальное движение поршня. Чаще всего этому предшествует обрыв или перескок нескольких зубьев ремня ГРМ. Стержень клапана изгибается от удара, возникшего в результате «встречи» с поршнем. Нарушается траектория движения уже деформированного клапана, он больше не способен совершать нормальные движения по направляющей. На подходе к ВМТ перемещение поршня теперь будет блокироваться. Такие же последствия будут и при рассухаривании клапана.
Как понять, что двигатель заклинило?
Первые догадки о том, что случилось заклинивание ДВС, появляются сразу же после того, как водитель услышит щелкающий звук от втягивающего реле стартера, но при этом не будет вращения коленвала. Есть вероятность, что стартер сможет выдавать щелчок, но при этом не прокручивать из-за разрядки АКБ или поломки самого стартера. Для того, чтобы четко определиться что дело именно в клине, а не в стартере, нужно попробовать провернуть коленвал вручную. Для этого можно воспользоваться одним из двух способов:
- При помощи ключа – ухватившись за болт крепления шкива;
- Провернув за колесо – вывесив одну половину ведущей оси и переключив на наибольшую передачу.
Недостатком первого способа является то, что на многих новых машинах расположение подкапотных элементов ограничивает доступ к болту шкива. Главное, при попытках вручную провернуть коленчатый вал, не переусердствовать. К примеру, не нужно пытаться сделать это при помощи буксировки машины. Такие действия могут в итоге только еще сильнее повредить двигатель.
Проверка и ремонт редуктора
Признаки неисправности трансмиссии:
- Обороты рабочего вала не соответствуют оборотам двигателя;
- Горит ремень на культиваторе, или проскальзывает при интенсивной нагрузке;
- Вы еще не погрузили фрезу в грунт – а двигатель «захлебывается» от нагрузки;
- Выходной вал мотора вращается, а рабочий вал стоит на месте.
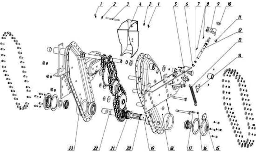
Перед осмотром и ремонтом редуктора – надо понимать, как разобрать и правильно собрать этот сложный узел. Особенно внимательно следует обращаться со стопорными кольцами шестерен и сальниками валов. Общая схема редуктора изображена на иллюстрации:

В первую очередь проверьте уровень масла в корпусе. Если вы не можете ответить на вопрос: «Какое масло заливают в мотокультиватор?» – внимательно перечитайте инструкцию. Для движущихся частей редуктора применяются специальные смазочные материалы, поскольку они работают в экстремальных условиях.
После разделения половинок корпуса, внимательно осмотрите цепь и шестерни на предмет повреждений. Проверьте натяжение цепи. В любом случае, следует разобрать редуктор (тщательно фиксируя расположение элементов) и промыть все детали в керосине. Детали, имеющие дефекты или отсутствующие части (например, зубья шестерен), подлежат замене.
Аккуратно соберите конструкцию. Следите за тем, чтобы все детали вошли в зацепление друг с другом, и не возникало перекосов шестерен. При необходимости смените прокладку или сформируйте ее из соответствующего герметика.

Перед установкой на культиватор, прокрутите валы редуктора вручную. Убедитесь в том, что вращение происходит равномерно, не слышно лязганья и скрежета. Заполните редуктор новой смазочной жидкостью.
Запустите мотокультиватор без навесного оборудования. Убедитесь в отсутствии течи из корпуса редуктора. После чего выполните несложную работу фрезой или другими приспособлениями. Если работоспособность восстановлена – ваши старания окупились, и вам не придется посещать мастерскую.
Визжит стартер, вылезает шнур
– Может визжать, если на шарах смазки много. Нужно почистить шарики и места в храповике, куда они вставляются.
Культиватор издал несколько хлопков, стали «плавать» обороты
– Скорее всего, не справляется система питания, или уровень топлива в баке низкий, возможен перекос оси поплавка и возможно под игольчаты клапан попал мусор, нужно все удалить и проверить воздушный фильтр, жиклеры.
Материал, будет обновляться, ждем комментарии с вопросами, рассказы о выявлении той или иной неисправности и способы её устранения. Так же, смотрите ответы на вопросы по той или иной модели мотоблока на странице его описания.
Разновидности мотоблоков
В зависимости от веса можно выделить 3 основных типа этих сельскохозяйственных аппаратов
Важно отметить, что любой ремонт мотоблоков своими руками должен проходить строго в соответствии с техническими особенностями того или иного образца. Виды такого оборудования бывают следующими:
- Легкий тип. Его вес находится в пределах от 10 до 50 кг. Благодаря своей мобильности скорость его работы значительно выше, чем у других устройств, однако в связи с малой мощностью с его помощью можно обрабатывать лишь небольшие участки почвы.
- Средний тип мотоблоков представлен изделиями с весом от 60 до 100 кг. Такие аппараты применяются в самых разных целях.
- Более профессиональная разновидность этой сельскохозяйственной техники — тяжелые профессиональные устройства. В связи с тем, что их вес превышает показатель в 100 кг, они не способны работать очень быстро, однако с их помощью можно обработать большой участок земли благодаря высокой мощности этих образцов.
Далее следует более подробно рассмотреть то, какие неисправности могут возникнуть в процессе эксплуатации подобных аппаратов и, как следствие, то, от чего будет зависеть выполнение такой процедуры, как ремонт мотоблока.
Конструкция мотоблока
Важной движущей частью описываемого устройства выступает двигатель, который способен функционировать как на бензине, так и на дизельном топливе. Такое составляющее оборудования может быть либо двухтактным, либо четырехтактным
Характерной чертой этих моторов считается то, что в них вмонтированы специально предназначенные для этого регуляторы частоты вращения, способные упростить процесс работы. Мощность двигателя может варьироваться от пяти до десяти литров. Стоит также отметить, что с наибольшей трудностью во время ремонта специалисты сталкиваются именно в этой части мотоблока.
Следующим элементом устройства считается трансмиссия, имеющая некоторое число вариаций:
- Зубчатая.
- Зубчато-червячная.
- Ременно-зубчато-цепная.
- Гидрообъемная.
Немаловажной составляющей описываемого устройства считается агрегатированная система, благодаря которой к мотоблоку становится возможным присоединить дополнительные сельскохозяйственные приспособления. Управление данным механизмом может находиться или на его ручках, или на рулевых штангах
А также в этом месте располагается муфта сцепления и газ. В некоторых сложных конструкциях порой можно встретить тормоз
Управление данным механизмом может находиться или на его ручках, или на рулевых штангах. А также в этом месте располагается муфта сцепления и газ. В некоторых сложных конструкциях порой можно встретить тормоз.
https://youtube.com/watch?v=Vx3JeN9LqcM
Обслуживание двигателя
На большинстве популярных моделей стоят четырехтактные двигатели, работающие на бензине, отечественного или иностранного производства. В техническое обслуживание мотоблока, проводимое самостоятельно, входит:
- проверка уровня и качества масла (в картере);
- контроль за состоянием системы зажигания.
Система смазки двигателя
При выборе класса моторного масла ориентируйтесь на рекомендации производителя, указанные в инструкции не к самому аппарату, а к двигателю. Для двигателя «HONDA», устанавливаемого на мотоблоки «Беларус», подойдет высокоочищенное масло класса SG, SF по API. Универсальная рекомендация по уровню вязкости — SAE 10W-30 для любой температуры.
Выбор вязкости масла в соответствии с температурой окружающей среды (классификация SAE)
Как измерить уровень масла:
- Выключить двигатель и расположить его горизонтально.
- Снять крышку масляного картера*.
- Протереть специальный щуп и опустить его в горлышко.
- При необходимости долить рекомендуемое масло до края горлышка.
*Проводя замену масла в мотоблоке, после этапа 2 следует выполнить еще несколько операций:
- открыть пробку слива;
- слить имеющееся масло в заранее подготовленную емкость;
- затем установить пробку на место и тщательно ее затянуть;
- далее продолжить действовать по приведенной инструкции. Замену масла проводят, пока мотор не остыл.
Отверстия для заливки и сливания масла двигателя мотоблока SunGarden
Внимание! Производители предупреждают, что использованное моторное масло опасно для кожи и может стать причиной онкологического заболевания. После контакта с ним нужно тщательно вымыть руки с мылом
Система зажигания
Здесь стандартное ТО сводится к тому, что каждый сезон нужно обязательно менять свечи зажигания. Проблема с этим компонентом системы является наиболее частой причиной того, что мотор не запускается. Даже простая очистка свечи от нагара и грязи может разрешить ситуацию.
Механизм запуска и система зажигания мотоблока Каскад МБ6: 1 — ручка стартёра, 2 — корпус вентилятора, 3 — кожух защитный, 4 — цилиндр, 5 — головка цилиндра, 6 — магнето, 7 — маховик.
Последовательность действий:
- Снять наконечник центрального провода.
- Достать свечу, вывернув ее с помощью специального ключа.
- Внимательно осмотреть. Изоляция не должна крошиться или трескаться.
- Пригодную для дальнейшего использования свечу почистить щеткой.
- Измерить зазор. Отрегулировать его до показателя 0,7-0,8 мм. Этого достигают, сгибая боковой электрод.
- Проверить состояние шайбы.
- Установить свечу обратно, соблюдая рисунок резьбы.
- Сжать шайбу, хорошенько затяну ключом (старую свечу — еще на 1/4-1/8 оборота, новую — на ½). Недостаточно прижатая и неаккуратно установленная свеча будет сильно нагреваться и может нанести вред двигателю.
https://youtube.com/watch?v=Kma6SauNmPQ
Обслуживание сцепления
Стандартная операция, которая может потребоваться при проведении ТО мотоблока, — регулировка ручки сцепления. Свободный ход на конце рычага должен равняться 5-10 мм. Порядок действий:
- Освобождаем контргайки.
- Меняем положение регулировочного болта, периодически проверяя ручку. Если сцепление «ведет» — вворачиваем, если «буксует» — выворачиваем.
- Закрепляем обратно контргайки.
- Проверяем работу сцепления с включенным двигателем мотоблока.
Клиноременные передачи. Если на мотоблоке установлено не дисковое, а ременное сцепление, периодически потребуется проверять натяжение ремня. Рекомендуемые показатели зазоров приводятся в инструкции к технике. Нужных параметров достигают путем горизонтального перемещения двигателя. Периодичность регулировки – каждые 25-30 часов эксплуатации аппарата. При повреждениях (обрывах, трещинах) и чрезмерном растяжении ремень необходимо заменить.
Значения нормированных моментов затяжки резьбовых соединений двигателя
При сборке двигателя после ремонта следует применять нормированные моменты затяжки резьбовых соединений, значения которых в ньютонах на метр Нм приведены ниже.
Болты крепления крышки шатуна:
– предварительное 15+5
– окончательное 25+2
Болты крепления головки цилиндра 15-20
Болты крепления крышки картера 15-20
Технологическая гайка маховика двигателя (предварительная затяжка) 120-130
Корпус муфты пускового устройства 40-60
Примечания. 1. 1кгс = 10Н; 2. При отсутствии динамометрического ключа усилие затягивания болтов в кг силы определите по формуле:
F=0.1M/L,
где М – значение моменты затяжки, Нм;
L – длина плеча от центра вращения до точки приложения силы F (рис. 27);
0,1 – коэффициент перевода размерности силы из Н в кгс.
Рис. 27. Определение усилия затяжки.
Пример: для затяжки болта моментом М=15Нм и длине ключа L=0,15м необходимо приложить к ключу силу F = 0.1*15/0.15 = 10 кгс, что эквивалентно силе, необходимой для поднятия груза массой 10кг.
Эта статья – продолжение первой части – Мотоблоки типа МБ. Устройство. Эксплуатация. Харатеристики
Заправка мотоблока
Работу по заправке мотоблока следует проводить, согласно технике безопасности, на хорошо проветриваемой территории с выключенным двигателем. Не следует переливать топливный бак (в горлышке топлива быть не должно). Все образовавшиеся подтеки нужно немедленно вытирать. Прежде, чем запускать двигатель после заправки, убедитесь, что крышка бака плотно закрыта, а бензиновые пары испарились.
Мотоблок заправляется автомобильным бензином с октановым числом не ниже рекомендованного производителем (обычно АИ-92). Некоторые производители отдают предпочтение неэтилированному или низкоэтилированному топливу.
Работает рывками или с перебоями
Многие владельцы мотоблоков отмечают тот факт, что указанная техника со временем начинает работать с перебоями.
К таким неприятностям можно отнести ряд характерных для подобной техники неисправностей.
- Мотор может начать бить в обратку. Это говорит о том, что было использовано низкокачественное горючее для заправки мототехники. Если есть такая проблема, то придется заменить не только само топливо, но и промывать важные элементы топливной системы, чтобы окончательно не вывести ее из строя.
- Мотоблок нередко начинает работать в сопровождении неприятных рывков. Причина такой неприятности заключается в слабом прогреве движка.
- Бывает так, что мотор этой мототехники перестает «тянуть», его мощность ощутимо снижается. Если появились эти проблемы, то желательно приступить к очистке и топливного, и воздушного фильтра. Еще одной возможной причиной таких неполадок может служить сильное изнашивание магнето системы зажигания.
Не поступает бензин в камеру сгорания
Если при очередной попытке заводки движка мотоблока работать он так и не начинает, то это может говорить о том, что имеются неполадки с подачей топлива (в данном случае бензина).
Причиной тому могут служить разные проблемы.
- К примеру, бензин может перестать поступать в том случае, если имеют место внушительные засоры на крышке бензобака. При этом свечи всегда будут сухими.
- Если мусор проник в систему подачи, то бензин также перестать попадать в камеру сгорания.
- Загрязненное дренажное отверстие топливного бака – очередная распространенная причина того, что бензин прекращает поступать в камеру сгорания.
Шум в коробке
Нередко обладатели сельхозтехники встречаются с характерными шумами, что издает трансмиссия. В основном причиной указанных неприятностей выступает слабая затяжка креплений
Именно поэтому так важно сразу обратить внимание на все крепежные детали. Если они ослабли, их надо подтянуть
Прочие распространенные проблемы при запуске двигателя
Что делать, если мотор мотоблока работает с перебоями и не развивает нужной мощности? Причин такому поведению может быть несколько:
- Засор воздушного фильтра.
Воздух не попадает в карбюратор, а значит, топливо плохо сгорает — фильтр придется чистить или менять.
- Засор глушителя.
Остатки топлива, а также продукты его горения образуют на внутренних стенках глушителя толстый налет, который необходимо устранить.
- Засор карбюратора.
В этом случае узел придется снять, разобрать и как следует очистить все его компоненты. После этого карбюратор нужно собрать и правильно отрегулировать.
- Износ цилиндропоршневой группы.
Температура и высокие нагрузки делают свое дело и даже самый прочный металл со временем изнашивается и деформируется. Такие детали следует незамедлительно заменить, иначе за это можно поплатиться невосстановимыми поломками в самом двигателе.
- Поломка корпуса храповой муфты или храповика
О наличии этой проблемы говорит отсутствие движения коленвала при запуске двигателя. Для замены корпуса муфты и храповика придется полностью разобрать пусковой блок.
- Ослабление затяжки винтов крепления корпуса стартера к корпусу двигателя.
Если шнур запуска не возвращается в исходное положение, стартер нужно отрегулировать. Для этого винты ослабляются, а положение узла устанавливается от руки так, чтобы обеспечить нормальный возврат шнура.
- Обрыв пружины стартера.
Довольно распространенной причиной отсутствия возвратного хода шнура запуска является выход из строя стартерной пружины — её придется заменить.
Существенно увеличивает срок службы любой техники грамотное техническое обслуживание её основных узлов и компонентов. Немалое значение имеет и оперативность замены изношенных запчастей. Поэтому при возникновении малейших сбоев и неисправностей заниматься их устранением следует незамедлительно — в итоге это предотвратит куда более серьезные и дорогие проблемы.
Специфика работы
Работа описываемого устройства происходит за счёт усилий двигателя, благодаря чему мотоблок приходит в движение и передаёт энергию остальным элементам, установленным на нём. Главной структурной составляющей мотоблока принято считать почвофрезу, предназначенную для устранения сорняков, вспашки и оснащения земли удобрениями. Зачастую ремонт мотоблока происходит именно в данной его части из-за того, что на почвофрезу оказывается наибольшая нагрузка в процессе работы.
Более сложные вариации мотоблока порой имеют в своей конструкции навесное оборудование, что значительно расширяет функциональность аппарата.
Помимо почвофрезы, мотоблок может иметь следующие комплектующие: культиватор, плуг, косилка, окучник и прочее.
Это интересно: Ремонт редуктора и других важных рабочих узлов мотоблока Нева — рассказываем вопрос
Что делать, если двигатель мотоблока плохо заводится на горячую?
Если мотоблок не развивает обороты на горячую, диагностику неисправности производят в такой последовательности:
- после нескольких неудачных попыток запуска исследуют свечу, как это было описано выше. По возможности ее лучше сразу заменить на новую, чтобы полностью снять вопросы по этому пункту;
- проверить компрессию и уровень разрежения в бензобаке;
- в темном помещении посмотреть, не искрит ли проводка;
- убедится, что при нагреве точно образуется искра. Кроме свечи, препятствовать искрообразованию может и неисправная катушка зажигания.
Среди других причин неисправности можно выделить:
- недостаток или неправильная заливка масла, из-за чего срабатывающий датчик его уровня блокирует работу двигательной части;
- выход из строя клапана в топливном бачке, который должен поддерживать давление бензина. В результате этого его жидкое содержимое не перетекает в карбюратор.
Ремонт мотоблоков, а особенно, их силовой установки – дело ответственное, которое требует грамотности и хорошей сноровки. Это касается не только отечественных любимцев — мотоблоков «Нева», «Каскад», «Агро», но и импортных, например, «Хонда». Но это не означает их ремонт своими руками невозможен. Имея минимальный запас знаний и следуя нашим вышеизложенным рекомендациям устранить любые неисправности можно и у себя дома.























































